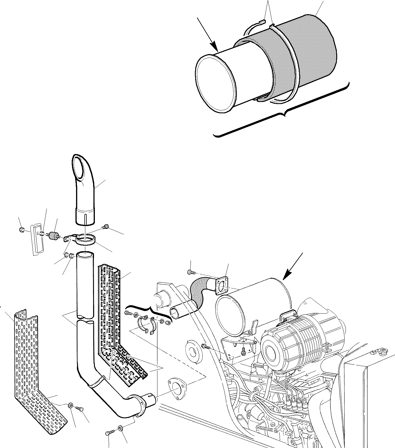
Запчасти Komatsu WB140-2 ГЛУШИТЕЛЬ КОМПОНЕНТЫ ДВИГАТЕЛЯ И ЭЛЕКТРИКА

Схема запчастей Komatsu WB140-2 - ГЛУШИТЕЛЬ КОМПОНЕНТЫ ДВИГАТЕЛЯ И ЭЛЕКТРИКА
13
12
3
19
5
20
7
A
A
A
15
11
11
10
17
16
2
1
18
14
11
4
8
9
6
13
12
3
19
5
20
7
A
A
A
15
11
11
10
17
16
2
1
18
14
11
4
8
9
6
FIT
1:1
100%

Артикул

Название

Примечание

Количество

1

312607053

HOSE

2

801015088

BOLT

3

802670075

CLAMP

4

312607055

STUB PIPE

5

802170002

WASHER

6

801015110

BOLT

7

312607075

OUTWARD SIDE PROTECTION

8

802170002

WASHER

9

801015106

BOLT

10

808001043

DAMPER

11

801920104

NUT

12

312607675

COVER, SILENCER (ASPIRATED ENGINE)

13

885190010

CLAMP (ASPIRATED ENGINE)

14

312607088

INWARD SIDE PROTECTION

15

312607680

UNLOADING TERMINAL

16

312607106

CLAMP

17

801015087

BOLT

18

802170001

FLAT WASHER

19

885190010

CLAMP (TURBO ENGINE)

20

312607676

COVER, SILENCER (TURBO ENGINE)

1

312607053

HOSE

2

801015088

BOLT

3

802670075

CLAMP

4

312607055

STUB PIPE

5

802170002

WASHER

6

801015110

BOLT

7

312607075

OUTWARD SIDE PROTECTION

8

802170002

WASHER

9

801015106

BOLT

10

808001043

DAMPER

11

801920104

NUT

12

312607675

COVER, SILENCER (ASPIRATED ENGINE)

13

885190010

CLAMP (ASPIRATED ENGINE)

14

312607088

INWARD SIDE PROTECTION

15

312607680

UNLOADING TERMINAL

16

312607106

CLAMP

17

801015087

BOLT

18

802170001

FLAT WASHER

19

885190010

CLAMP (TURBO ENGINE)

20

312607676

COVER, SILENCER (TURBO ENGINE)

Выбрано товаров: 40