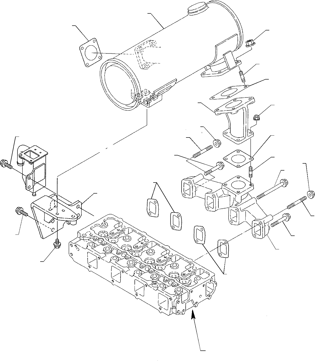
Запчасти Komatsu WB140-2 EXAUST MANIFOL & ГЛУШИТЕЛЬ (ASPIRATED ДВИГАТЕЛЬ) ДВИГАТЕЛЬ

Схема запчастей Komatsu WB140-2 - EXAUST MANIFOL & ГЛУШИТЕЛЬ (ASPIRATED ДВИГАТЕЛЬ) ДВИГАТЕЛЬ
A
10
9
17
15
12
11
16
18
13
19
1
4
6
18
5
3
7
1
8
4
2
14
3
FIT
1:1
100%

Артикул

Название

Примечание

Количество

\0

871070048

ASPIRATED ENGINE

1

YM26216-080652

STUD

2

YM123900-13100

MANIFOLD

3

YM123900-13150

GASKET

4

YM26106-080702

BOLT

5

YM26106-081002

BOLT

6

YM119131-18320

BOLT

7

YM123911-13910

STAY

8

YM26106-100222

BOLT

9

YM129400-13201

GASKET

10

YM123911-13500

SILENCER

11

YM123911-13300

BEND.EXHAUST

12

YM128300-13230

GASKET

13

YM129400-13201

GASKET

14

YM26106-080142

BOLT

15

YM26216-100252

STUD

16

YM26366-080002

NUT

17

YM26366-100002

NUT

18

YM26366-080002

NUT

19

YM26106-100252

BOLT

Выбрано товаров: 0