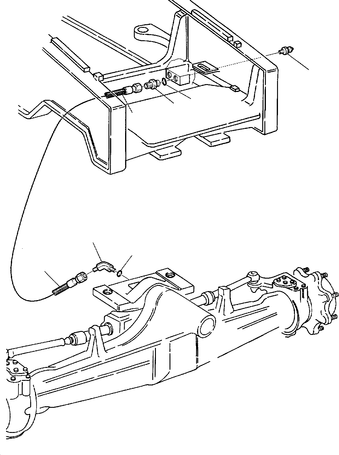
Запчасти Komatsu WB140-2 СИСТЕМА СМАЗКИ МОСТА РАМА

Схема запчастей Komatsu WB140-2 - СИСТЕМА СМАЗКИ МОСТА РАМА
1
3
2
4
5
6
4
FIT
1:1
100%

Артикул

Название

Примечание

Количество

2

500358752

UNION

3

855670020

O-RING

4

392363045

PIPE

5

500355715

UNION

Выбрано товаров: 0