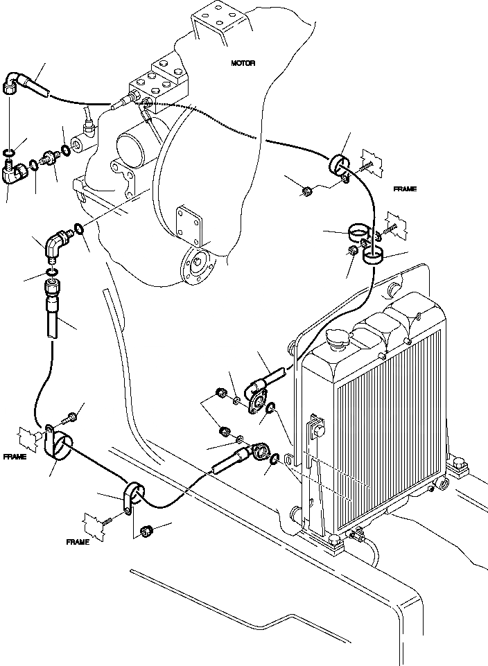
Запчасти Komatsu WB140-2N FIG. H-A ГИДРОЛИНИЯ - ОХЛАЖДЕНИЕ ТРАНСМИССИИ ЛИНИЯ ГИДРАВЛИКА

Схема запчастей Komatsu WB140-2N - FIG. H-A ГИДРОЛИНИЯ - ОХЛАЖДЕНИЕ ТРАНСМИССИИ ЛИНИЯ ГИДРАВЛИКА
1
11
15
14
16
10
12
13
15
7
15
8
9
16
3
1
6
18
5
2
6
4
17
15
16
FIT
1:1
100%

Артикул

Название

Примечание

Количество

1

312610082

HOSE

2

855021213

O-RING

3

312610083

HOSE

4

855021213

O-RING

5

801880208

NUT

6

80270001

WASHER

7

500380481

ELBOW

8

855670003

O-RING

9

855051018

O-RING

10

500380087

UNION

11

855670003

O-RING

12

855051018

O-RING

13

500380464

ELBOW

14

855051018

O-RING

15

802660508

COLLAR

16

801880208

SELF-LOCKING NUT

17

312610084

COLLAR

Выбрано товаров: 0