Качественные детали и логистика
Оригинальные и аналоговые запчасти с доставкой по России, Казахстану и Беларуси
©2022 PartSell ООО "Система" ИНН 2463123282 ОГРН 1212400004838
Центральный офис: г. Красноярск, Академика Киренского, д.87, пом.4
Телефон: 8 (800) 777-65-74 Email: zakaz@partsell.ru
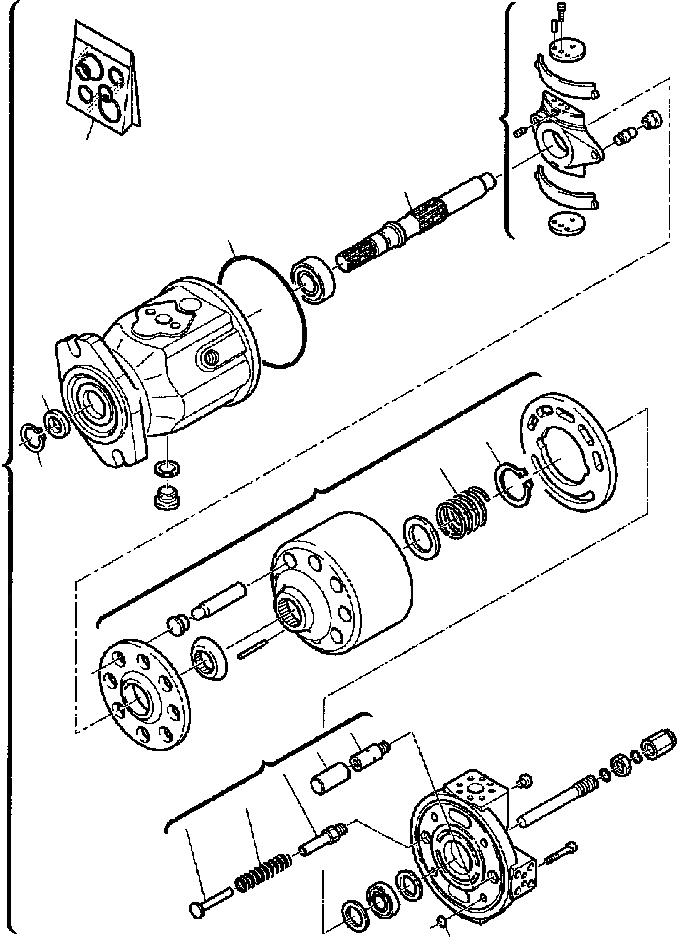
FIG. H-A ГИДР. НАСОС. - ОСНОВН. ASSEMBLY ДЛЯ ASPIRATED ДВИГАТЕЛЬ
№
Артикул
Название
Примечание
Количество
1
840220121
PUMP ASSEMBLY (ASPIRATED ENGINE)
2
840225241
GASKET KIT
3
840225229
RING, SNAP
4
840225226
GASKET
5
840225227
O-RING
6
840225311
SHAFT
7
840225224
PLATE, SWASH
8
840225222
GROUP, ROTARY
9
840225239
SPRING
10
840225240
11
840225223
UNIT, CONTROL
12
840225238
13
840225228
Выбрано товаров: 0