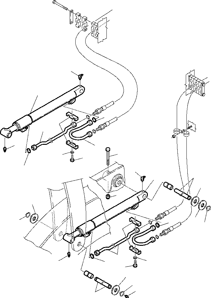
Запчасти Komatsu WB140-2N FIG. H-A ГИДРОЛИНИЯ - ЦИЛИНДР ПОДЪЕМА ПОГРУЗ. КОВША ГИДРАВЛИКА

Схема запчастей Komatsu WB140-2N - FIG. H-A ГИДРОЛИНИЯ - ЦИЛИНДР ПОДЪЕМА ПОГРУЗ. КОВША ГИДРАВЛИКА
12
9
18
17
3
6
4
18
2
5
19
11
8
7
3
9
1
17
14
16
15
3
13
6
10
4
8
2
3
7
1
FIT
1:1
100%

Артикул

Название

Примечание

Количество

2

860010007

FITTING, GREASE

3

855051016

O-RING

4

312610061

PIPE

5

312610056

PIPE

6

200390970

CLAMP, TUBING

7

801015089

BOLT

8

802170001

WASHER

9

860030004

FITTING, GREASE

10

312601665

PIN, CYLINDER

12

801880212

NUT, SELF-LOCKING

14

802270019

RING, SNAP

15

390608006

WASHER

16

312602613

PIN, CYLINDER

17

390608002

WASHER

18

802270017

RING, SNAP

19

860010007

FITTING, GREASE

Выбрано товаров: 0