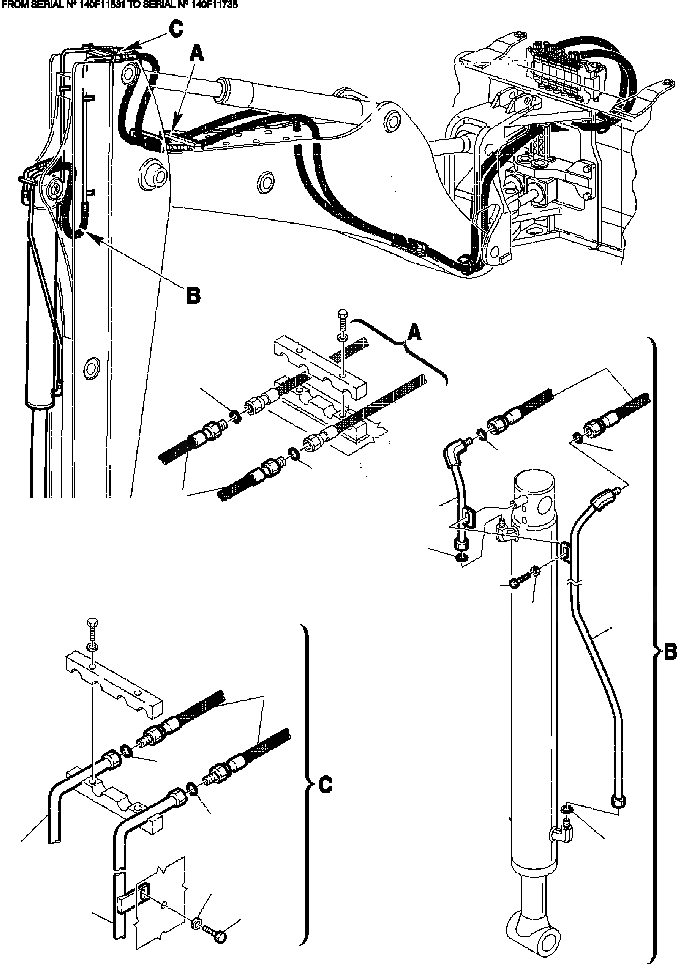
Запчасти Komatsu WB140-2N FIG. H77-A ГИДРОЛИНИЯ - ФИКСИР. РУКОЯТЬ ЦИЛИНДР КОВША ГИДРАВЛИКА

Схема запчастей Komatsu WB140-2N - FIG. H77-A ГИДРОЛИНИЯ - ФИКСИР. РУКОЯТЬ ЦИЛИНДР КОВША ГИДРАВЛИКА
12
2
11
11
2
1
10
4
10
11
11
3
2
8
2
5
9
6
7
FIT
1:1
100%

Артикул

Название

Примечание

Количество

1

312739067

PIPE

2

855051016

O-RING

3

312739066

PIPE

5

312739055

R.H. PIPE

6

312739056

L.H. PIPE

7

801015111

BOLT

8

802170002

WASHER

9

802170002

WASHER

11

855051016

O-RING

Выбрано товаров: 0