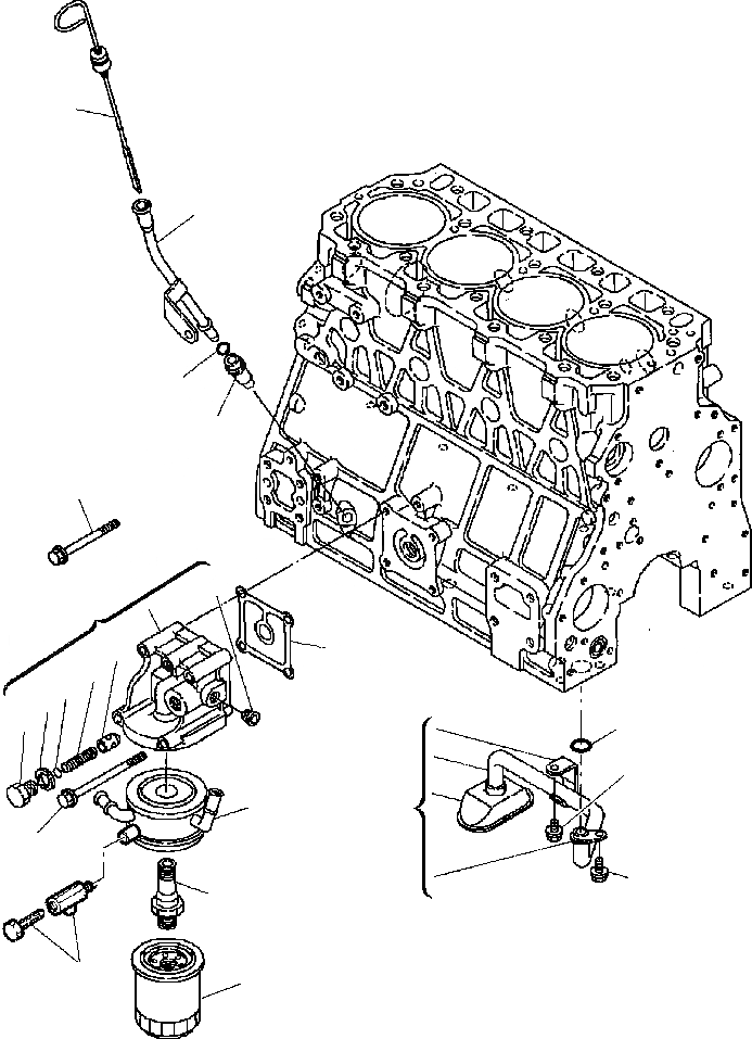
Запчасти Komatsu WB140-2N FIG. A-A СИСТЕМА СМАЗКИ МАСЛ. СИСТЕМА - TURBO ДВИГАТЕЛЬ ДВИГАТЕЛЬ

Схема запчастей Komatsu WB140-2N - FIG. A-A СИСТЕМА СМАЗКИ МАСЛ. СИСТЕМА - TURBO ДВИГАТЕЛЬ ДВИГАТЕЛЬ
13
15
14
9
10
6
7
8
5
23
24
25
17
16
12
2
1
11
26
27
18
4
FIT
1:1
100%

Артикул

Название

Примечание

Количество

1

YM123910-33011

COOLER, OIL

2

YM123910-33040

BRACKET, COOLER

4

YM121850-35230

SHIM

5

YM124223-35510

RETAINER

6

YM121850-35531

VALVE

7

YM121952-39830

SPRING

8

YM23414-180000

GASKET

9

YM23871-020000

PLUG

10

YM123900-33060

GASKET

11

YM123910-33100

BOLT, LUBRICATION

12

YM26106-080752

BOLT

13

YM123910-34801

DIPSTICK

14

YM119260-34810

GUIDE, DIPSTICK TUBE

15

YM123910-34810

TUBE, DIPSTICK

16

YM24311-240100

O-RING

17

YM119005-35100

FILTER, OIL

18

YM123910-35000

PIPE, OIL STRAINER

23

YM243114-000180

O-RING

24

YM26106-080122

BOLT

25

YM26106-080162

BOLT

26

YM26106-081152

BOLT

27

YM119620-49290

COCK ASSEMBLY

Выбрано товаров: 22