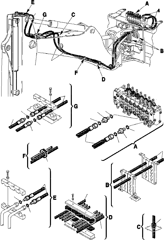
Запчасти Komatsu WB140-2N FIG. H8-A ГИДРОЛИНИЯ - ЦИЛИНДР РУКОЯТИ ФИКСИР. РУКОЯТЬ ГИДРАВЛИКА

Схема запчастей Komatsu WB140-2N - FIG. H8-A ГИДРОЛИНИЯ - ЦИЛИНДР РУКОЯТИ ФИКСИР. РУКОЯТЬ ГИДРАВЛИКА
7
5
4
4
8
2
8
7
8
2
7
4
3
4
4
7
8
6
4
1
1
3
FIT
1:1
100%

Артикул

Название

Примечание

Количество

1

580380111

UNION

2

855051119

O-RING

3

855051016

O-RING

4

392860008

HOSE

5

885180004

TIE STRAP

6

312708621

BUSHING, RUBBER

7

392862002

HOSE

8

855051016

O-RING

Выбрано товаров: 8