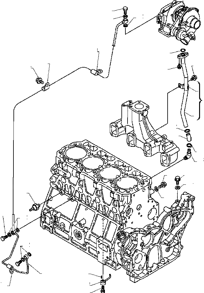
Запчасти Komatsu WB140-2N FIG. A-A СИСТЕМА СМАЗКИ МАСЛ. ЛИНИЯ - TURBO ДВИГАТЕЛЬ ДВИГАТЕЛЬ

Схема запчастей Komatsu WB140-2N - FIG. A-A СИСТЕМА СМАЗКИ МАСЛ. ЛИНИЯ - TURBO ДВИГАТЕЛЬ ДВИГАТЕЛЬ
8
12
10
20
9
13
32
32
16
14
1
7
12
2
12
30
29
11
23
12
21
22
17
31
15
15
14
FIT
1:1
100%

Артикул

Название

Примечание

Количество

1

YM124160-39450

SWITCH, OIL PRESSURE

2

YM123910-39060

PIPE

7

YM124160-39140

BOLT

8

YM121252-39150

BOLT

9

YM124223-39900

RETAINER

10

YM124223-39900

RETAINER

11

YM23297-060081

RETAINER

12

YM23414-100000

GASKET

13

YM26106-080122

BOLT

14

YM22190-080002

WASHER

15

YM26106-080122

BOLT

16

YM124070-13300

UNION, ELBOW

17

YM123910-39601

PIPE, TURBO

20

YM24314-000180

O-RING

21

YM26106-060162

BOLT

22

YM26106-080142

BOLT

23

YM129792-39410

VALVE ASSEMBLY

29

YM123900-39650

NOZZLE

30

YM22351-030010

SPRING

31

YM123901-39820

HOSE

32

YM23000-025000

CLAMP

Выбрано товаров: 21