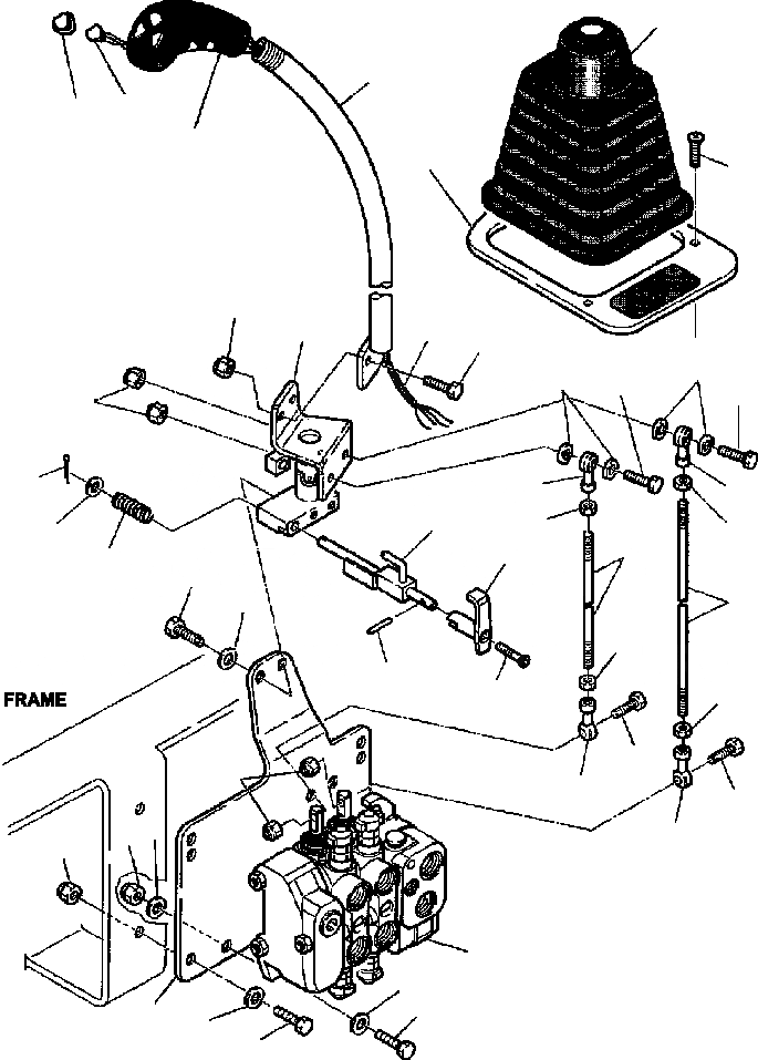
Запчасти Komatsu WB140-2N FIG. K-A РЫЧАГ УПРАВЛ-Я ПОГРУЗ. КОВШОМ КАБИНА ОПЕРАТОРА И СИСТЕМА УПРАВЛЕНИЯ

Схема запчастей Komatsu WB140-2N - FIG. K-A РЫЧАГ УПРАВЛ-Я ПОГРУЗ. КОВШОМ КАБИНА ОПЕРАТОРА И СИСТЕМА УПРАВЛЕНИЯ
33
11
9
10
8
34
35
16
12
21
15
26
26
25
25
27
29
24
24
30
17
30
23
28
19
22
13
14
31
18
20
31
25
27
32
25
3
4
32
7
28
1
3
2
5
14
6
FIT
1:1
100%

Артикул

Название

Примечание

Количество

2

801015559

BOLT

3

802170002

WASHER

4

801880001

NUT, SELF-LOCKING

5

312609622

SUPPORT, CONTROL VALVE

6

801015112

BOLT

7

801880001

NUT, SELF-LOCKING

8

312608086

KNOB

9

885081151

MICROSWITCH

10

885241029

COVER, SWITCH

11

312609061

LEVER, VALVE CONTROL

12

312609060

BASE, LEVER

13

801015110

BOLT

14

802170002

WASHER

15

801015086

BOLT

16

801852408

NUT, SELF-LOCKING

17

312609054

BLOCK, LEVER CONTROL

18

801510191

PIN, LEVER

19

312648680

LEVER

20

801250177

SCREW

21

312612123

WIRING HARNESS

22

390100020

SPRING

23

802170003

WASHER

24

805850210

JOINT

25

801015557

BOLT

26

312209604

SPACER

27

801852210

NUT, SELF-LOCKING

28

312609625

ROD, CONTROL

29

802610057

PIN, COTTER

30

801750002

NUT

31

500611661

NUT, L.H.

32

805850211

JOINT, L.H.

33

816212396

BOOT

34

312648669

PLATE, BOOT

35

801250231

BOLT

Выбрано товаров: 34