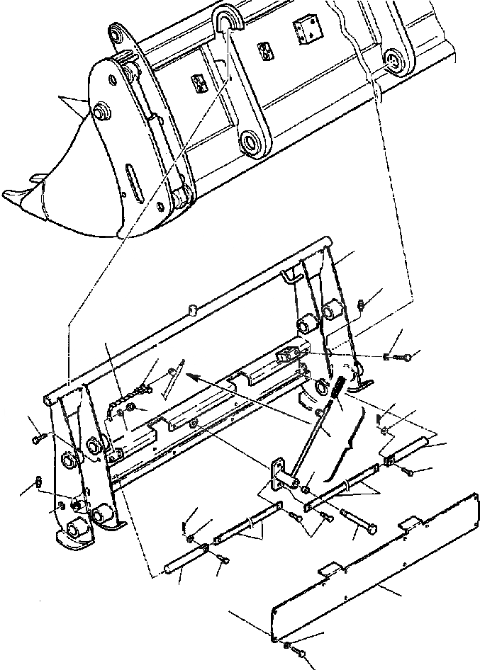
Запчасти Komatsu WB140-2N FIG. T7-A КОВШ - [4 В 1] - МЕХАН. БЫСТРОСЪЕМН. МЕХ-М РАБОЧЕЕ ОБОРУДОВАНИЕ

Схема запчастей Komatsu WB140-2N - FIG. T7-A КОВШ - [4 В 1] - МЕХАН. БЫСТРОСЪЕМН. МЕХ-М РАБОЧЕЕ ОБОРУДОВАНИЕ
1
2
3
24
5
23
6
18
17
4
7
12
8
10
19
9
11
15
18
3
17
14
13
16
19
20
22
21
15
16
FIT
1:1
100%

Артикул

Название

Примечание

Количество

2

312630059

FRAME

3

860010007

FITTING, GREASE

4

801015088

BOLT

5

814070028

RESTRAINT (LINK)

6

802700012

FASTENER (LEVER)

7

801880208

NUT, SELF-LOCKING

8

802170001

WASHER

9

312630061

LEVER ASSEMBLY

10

312630302

LEVER

11

802640008

HANDLE

12

805630039

BUSHING

13

312630654

PIN, LEVER

14

500327204

PIN, BAR/LEVER

15

312630655

LINK, BAR

16

500327217

PIN, BAR/ROD

17

802040029

WASHER

18

802610073

PIN, COTTER

19

312630648

PIN, ROD

20

312630067

ENCLOSURE, GUARD

21

801015086

BOLT

22

802120008

WASHER, SPRING

23

801015090

BOLT

24

802150508

WASHER, SPRING

Выбрано товаров: 23