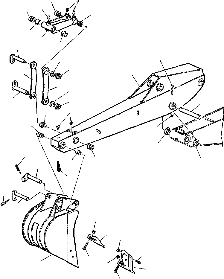
Запчасти Komatsu WB140-2N FIG. T7-A ЭКСКАВАТ. И КОВШ РАБОЧЕЕ ОБОРУДОВАНИЕ

Схема запчастей Komatsu WB140-2N - FIG. T7-A ЭКСКАВАТ. И КОВШ РАБОЧЕЕ ОБОРУДОВАНИЕ
4
7
4
7
25
26
6
8
23
24
22
21
3
1
2
6
4
5
10
2
5
17
17
19
2
2
22
21
3
14
12
14
16
13
16
18
20
17
15
10
9
11
FIT
1:1
100%

Артикул

Название

Примечание

Количество

1

312709050

ARM

2

500217002

BUSHING

3

500217005

BUSHING

4

860010007

FITTING, GREASE

5

802610118

PIN, COTTER

6

312710052

PIN, LEVER

7

500217008

BUSHING

8

801015584

BOLT

9

801880212

NUT, SELF-LOCKING

10

500270024

SPACER

11

390597064

PIN, ARM

12

802610118

PIN, COTTER (HAIRPIN)

13

CP12R02FY

BUCKET L=12 IN

|$13

CP16R02FY

BUCKET L=16 IN

|$14

CP18R02FY

BUCKET L=18 IN

|$15

CP24R02FY

BUCKET L=24 IN

|$16

CP30R02FY

BUCKET L=30 IN

|$17

20X-70-14151

ADAPTER

|$18

20X-70-14160

TOOTH

|$19

20X-70-14170

PIN

|$20

20X-70-14180

PIN, LOCK

14

200323390

PIN, BUCKET

15

NSS

TOOTH

16

NSS

BOLT

17

NSS

NUT

18

NSS

TOOTH

19

NSS

TOOTH

20

NSS

BOLT

21

802030505

NUT, RING

22

802040037

WASHER

23

312710050

LEVER, R.H.

24

312710051

LEVER, L.H.

25

500250056

SPACER

26

200703069

LEVER, ARM

Выбрано товаров: 34