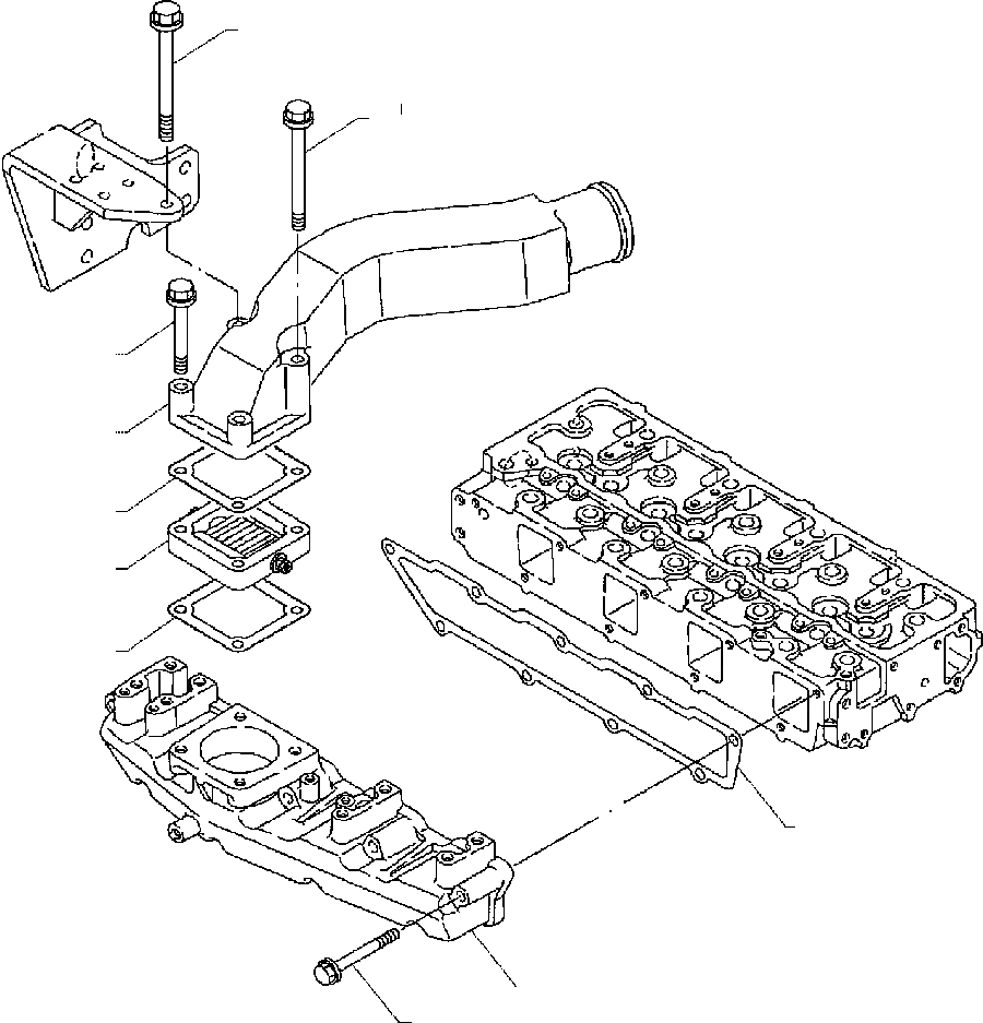
Запчасти Komatsu WB140-2N FIG. A-A INTAKE КОЛЛЕКТОР - ASPIRATED ДВИГАТЕЛЬ ДВИГАТЕЛЬ

Схема запчастей Komatsu WB140-2N - FIG. A-A INTAKE КОЛЛЕКТОР - ASPIRATED ДВИГАТЕЛЬ ДВИГАТЕЛЬ
10
7
9
4
5
8
6
3
1
2
FIT
1:1
100%

Артикул

Название

Примечание

Количество

1

YM123900-12100

MANIFOLD

2

YM123900-12110

GASKET

3

YM26106-080702

BOLT

4

YM123911-12590

DUCT, INTAKE MANIFOLD

5

YM123900-77020

GASKET

6

YM123900-77030

GASKET

7

YM26106-101202

BOLT

8

YM123900-77500

HEATER, AIR

9

YM26106-100752

BOLT

10

YM26106-101102

BOLT

Выбрано товаров: 10