Качественные детали и логистика
Оригинальные и аналоговые запчасти с доставкой по России, Казахстану и Беларуси
©2022 PartSell ООО "Система" ИНН 2463123282 ОГРН 1212400004838
Центральный офис: г. Красноярск, Академика Киренского, д.87, пом.4
Телефон: 8 (800) 777-65-74 Email: zakaz@partsell.ru
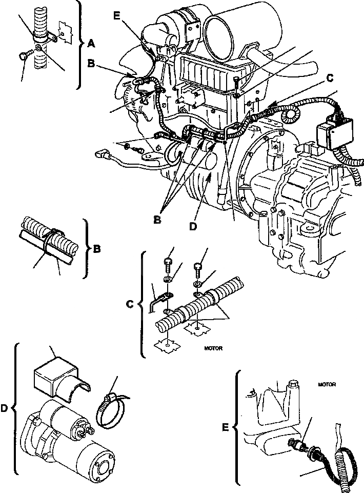
FIG. E-A ЭЛЕКТРИКА - ПРОВОДКА ASSEMBLY
№
Артикул
Название
Примечание
Количество
1
312612142
WIRING HARNESS ASSY
2
802660034
CLAMP (HANGER)
3
801015109
BOLT
4
802170002
WASHER
5
312612057
SUPPORT
6
802612134
7
801015108
8
9
885180010
TIE STRAP
10
885070024
SENSOR, TEMPERATURE
11
312607707
COVER
12
885190006
CLAMP
Выбрано товаров: 0