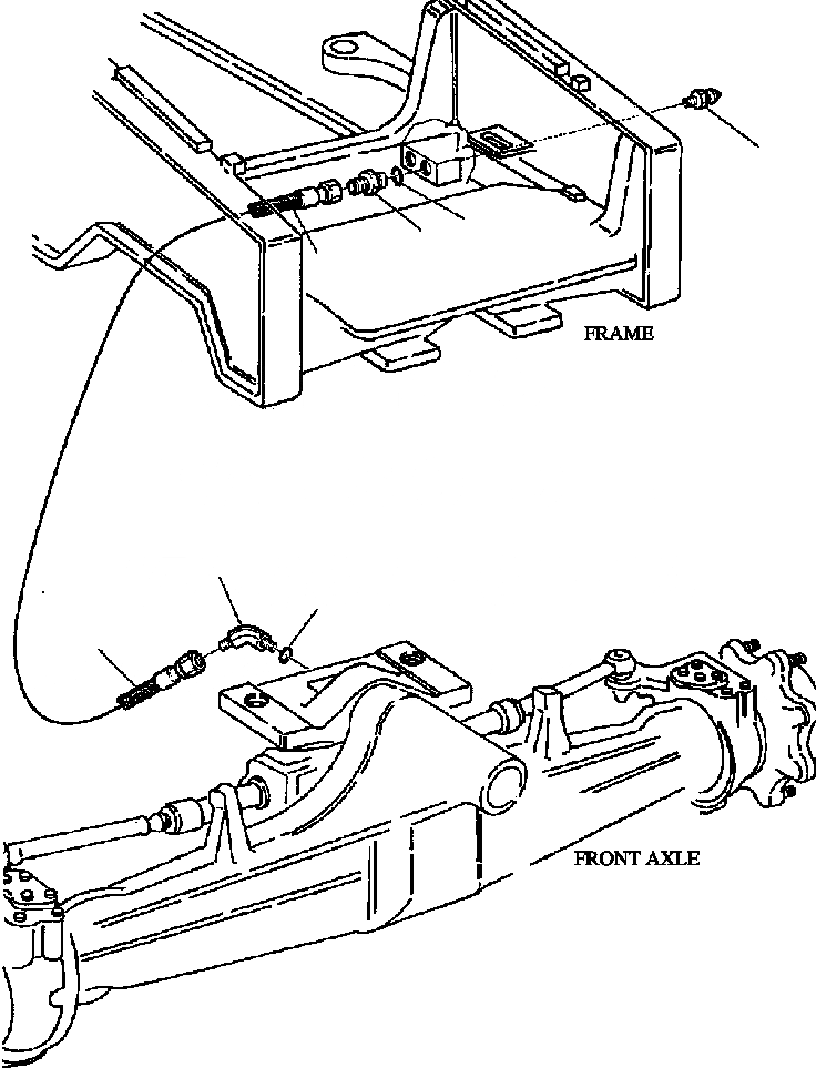
Запчасти Komatsu WB140-2N FIG. F-A СИСТЕМА СМАЗКИ МОСТА СИЛОВАЯ ПЕРЕДАЧА И КОНЕЧНАЯ ПЕРЕДАЧА

Схема запчастей Komatsu WB140-2N - FIG. F-A СИСТЕМА СМАЗКИ МОСТА СИЛОВАЯ ПЕРЕДАЧА И КОНЕЧНАЯ ПЕРЕДАЧА
3
2
4
5
6
4
1
FIT
1:1
100%

Артикул

Название

Примечание

Количество

1

860010007

FITTING, GREASE

2

500358752

UNION

3

855670020

O-RING

4

392363045

HOSE

5

500355715

UNION

6

855051111

O-RING

Выбрано товаров: 6