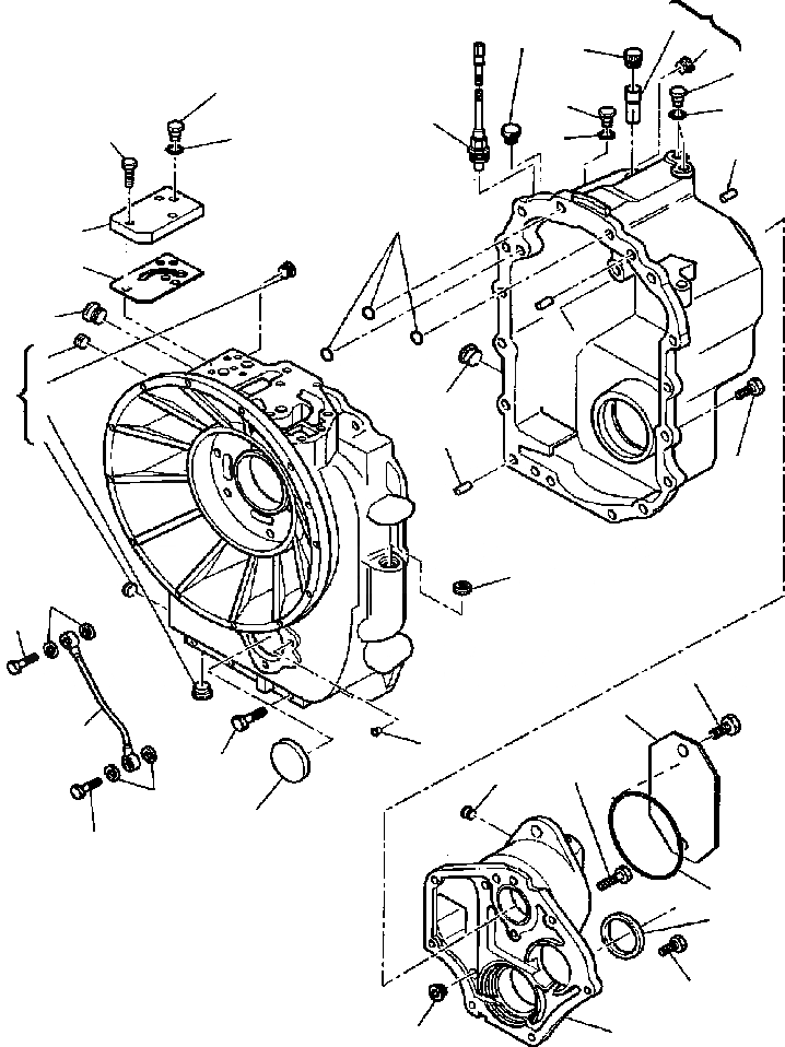
Запчасти Komatsu WB140-2N FIG. F-A ТРАНСМИССИЯ (WD) - ПЕРЕДН. И ЗАДН. ЧАСТЬ СИЛОВАЯ ПЕРЕДАЧА И КОНЕЧНАЯ ПЕРЕДАЧА

Схема запчастей Komatsu WB140-2N - FIG. F-A ТРАНСМИССИЯ (WD) - ПЕРЕДН. И ЗАДН. ЧАСТЬ СИЛОВАЯ ПЕРЕДАЧА И КОНЕЧНАЯ ПЕРЕДАЧА
6
8
32
7
23
19
19
19
20
22
20
16
20
24
21
17
18
32
9
4
2
1
25
5
3
24
15
13
12
30
29
14
9
10
28
33
13
11
12
27
10
26
10
31
34
FIT
1:1
100%

Артикул

Название

Примечание

Количество

1

CA0139449

HOUSING KIT - FRONT

2

CA0021570

PLUG

3

CA0021561

PLUG

4

CA0021557

PLUG

5

CA0021582

PLUG

6

CA0139441

HOUSING KIT - REAR

7

CA0021570

PLUG

8

CA0139278

PIPE, BREATHER

9

CA0030773

PLUG

10

CA0020852

BOLT

11

CA0141123

PLUG

12

CA0130663

OLT

13

CA0023272

WASHER, COPPER

14

CA0132634

PIPE, LUBRICATION

15

CA0021585

PLUG

16

CA0020793

BOLT

17

CA0141124

PLATE

18

CA0141002

GASKET

19

CA0021322

PLUG

20

CA0023260

ASHER, COPPER

21

CA0028560

O-RING

22

CA0143687

SENSOR, OIL TEMPERATURE

23

CA0030368

BREATHER

24

CA0072259

PIN

25

CA0125280

PLUG, OIL

26

CA0138547

COVER, REAR END HOUSING

27

CA0024485

RING, OIL SEAL

28

CA0020858

BOLT

29

CA0138550

PLATE, END (PROTECTIVE COVER)

30

CA0021009

BOLT

31

CA0028571

O-RING

32

CA0030745

PLUG

33

CA0030720

PLUG

34

CA0021570

PLUG

Выбрано товаров: 34