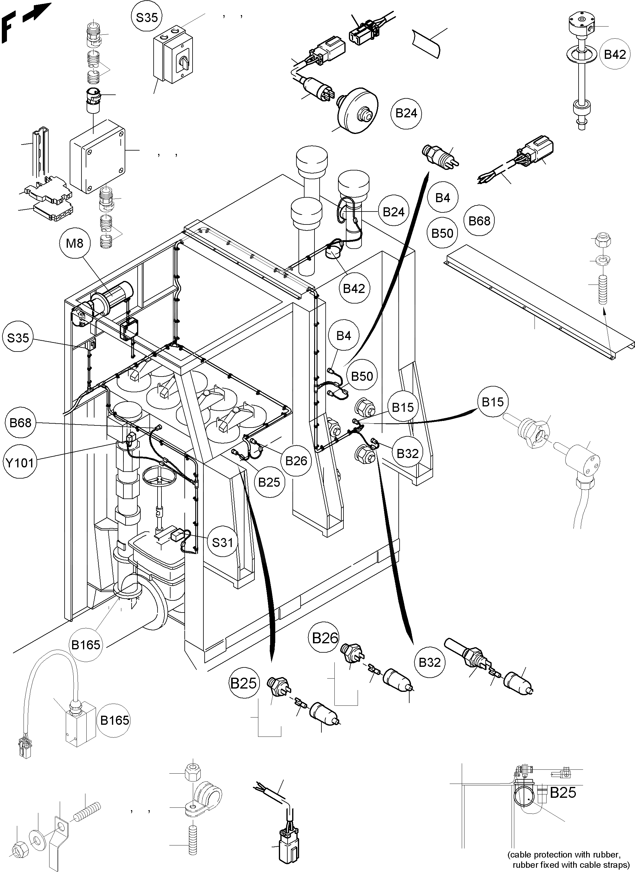
Запчасти Komatsu WB140-2N ЭЛЕКТРИЧ. - МАСЛ. БАК ОСНОВНАЯ РАМА И ЕЕ ЧАСТИ

Схема запчастей Komatsu WB140-2N - ЭЛЕКТРИЧ. - МАСЛ. БАК ОСНОВНАЯ РАМА И ЕЕ ЧАСТИ
09
09
11
11
14
14
14
15
17
18
21
23
23
35
41
42
42
43
43
46
47
48
49
50
51
52
53
54
56
57
58
59
60
61
61
62
63
63
64
65
66
67
68
75
76
77
78
79
80
81
82
83
84
85
86
87
88
89
FIT
1:1
100%

Артикул

Название

Примечание

Количество

01

946 990 40

Harness hydt. tank

02

655 804 40

Cable union PG 16

03

655 803 40

Cable union PG 13,5

04

907 180 40

Cable protection hose DN 23

05

655 798 40

Cable union PG 9

06

906 079 40

T-Distributor DN 29

07

655 630 40

T-Distributor DN 29/23

08

655 629 40

T-Distributor DN 17

09

655 621 40

Cable union DN 10

10

655 628 40

T-Distributor DN 10

11

907 179 40

Cable protection hose DN 17

13

940 169 40

Cable 4x1

14

323 961 40

Sleeve 6,3x0,8

15

651 461 40

Plug assy.

16

907 178 40

Cable protection hose DN 12

17

907 177 40

Cable protection hose DN 10

18

256 514 40

Plate

19

515 213 40

Cable 1mm2

21

891 032 40

Plug assy. 3-poles

23

891 031 40

Plug with bushings assy. 2-poles

24

655 810 40

Pipe adapter DN 29/12

25

896 558 40

Pipe adapter DN 29/23

26

655 635 40

Pipe adapter DN 29/17

27

655 809 40

Pipe adapter DN 29/10

28

655 633 40

Pipe adapter DN 17/12

29

655 632 40

Pipe adapter DN 17/10

30

655 806 40

Fitting PG 11

31

655 805 40

Fitting PG 9

32

655 876 40

Fitting PG 21

33

896 520 40

End pin

34

655 807 40

Fitting PG 13,5

35

940 462 40

Insulating tube B 6x0,6

36

655 800 40

Cable union PG 11

37

600 814 99

Reduction

38

056 070 40

Cable sleeve 1,0-1,5

39

502 826 98

Cable nut APG 11

41

256 721 40

Protection cap

42

906 922 40

Protection cap

43

940 461 40

Insulating tube B 5x0,6

44

600 790 99

Reducing HPG11-PG9

45

907 213 40

Cable protection hose DN 29

46

919 578 40

Pressure switch assy. 0,5 bar

47

907 536 40

Seal

48

894 541 40

Pressure switch assy. 2,0 bar

49

907 538 40

Seal

50

896 669 40

Level probe

51

654 652 40

Maintenance switch

52

604 732 40

Pressure switch 0,5 bar

53

621 338 40

Pressure switch 2,0 bar

54

431 168 40

Temperature transmitter

56

440 373 40

Camswitch

57

320 975 99

Screw

58

346 508 99

Lock washer

59

340 904 99

Washer

60

003 670 99

Clip

61

510 210 98

Thread pin

62

350 762 99

Washer

63

507 025 98

Nut

64

145 831 40

Clamp 20/15

65

510 363 98

Clamp 29/15

66

006 301 98

Clamp 12/15

67

914 943 40

Float switch

68

907 725 40

Pressure switsch

75

255 034 40

Housing,emty

76

505 940 99

Assembly rail

77

906 770 40

Through clamp 10,0

78

356 271 40

Series terminal

79

655 623 40

Cable union DN 17

80

515 213 40

Cable 1,0

81

896 727 40

Cable 10,0

82

635 511 40

Temperature sensor

83

635 512 40

Cover tube

84

928 881 40

Rubber plate

85

170 427 40

Cable strap

86

935 489 40

Cover

87

907 854 40

Thread pin

88

340 465 99

Washer

89

507 037 98

Nut

Выбрано товаров: 78