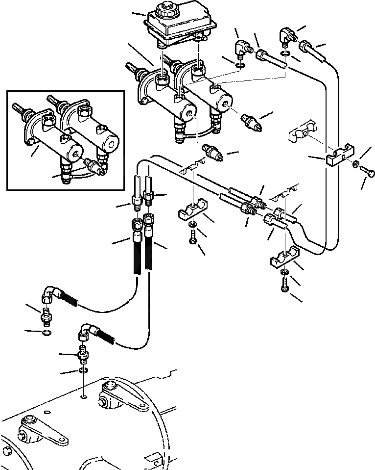
Запчасти Komatsu WB140-2N F-A ПРИВОД TRAIN ТРУБЫ ТОРМОЗН. ГИДРОЛИНИЯS - заводской номер A7- СИЛОВАЯ ПЕРЕДАЧА И КОНЕЧНАЯ ПЕРЕДАЧА

Схема запчастей Komatsu WB140-2N - F-A ПРИВОД TRAIN ТРУБЫ ТОРМОЗН. ГИДРОЛИНИЯS - заводской номер A7- СИЛОВАЯ ПЕРЕДАЧА И КОНЕЧНАЯ ПЕРЕДАЧА
15
3
3
6
2
5
4
4
14
10
14
8
1
7
13
7
9
5
7
8
7
10
12
6
11
9
8
10
16
9
17
16
17
FIT
1:1
100%

Артикул

Название

Примечание

Количество

3

500358154

UNION, ELBOW

4

855670006

O-RING

5

312617059

TUBE, LEFT

6

312617058

TUBE, RIGHT

7

312617060

TUBE, CENTER

8

818000016

CLAMP

9

801015066

BOLT

10

802170000

WASHER

11

392011176

HOSE, LEFT

12

392011092

HOSE, RIGHT

13

885411468

SWITCH, STOP

14

885411468

SWITCH, STOP

15

880011017

TANK, RESERVOIR

16

312610601

UNION

17

855670015

O-RING

Выбрано товаров: 15