Запчасти Komatsu WB140-2N F-A HAND ТОРМОЗ. И ЗАДН. ВЕДУЩ. ВАЛ заводской номер A7- СИЛОВАЯ ПЕРЕДАЧА И КОНЕЧНАЯ ПЕРЕДАЧА

Схема запчастей Komatsu WB140-2N - F-A HAND ТОРМОЗ. И ЗАДН. ВЕДУЩ. ВАЛ заводской номер A7- СИЛОВАЯ ПЕРЕДАЧА И КОНЕЧНАЯ ПЕРЕДАЧА
3
4
1
2
5
6
6
7
8
8
9
11
9
10
10
11
FIT
1:1
100%

Артикул

Название

Примечание

Количество

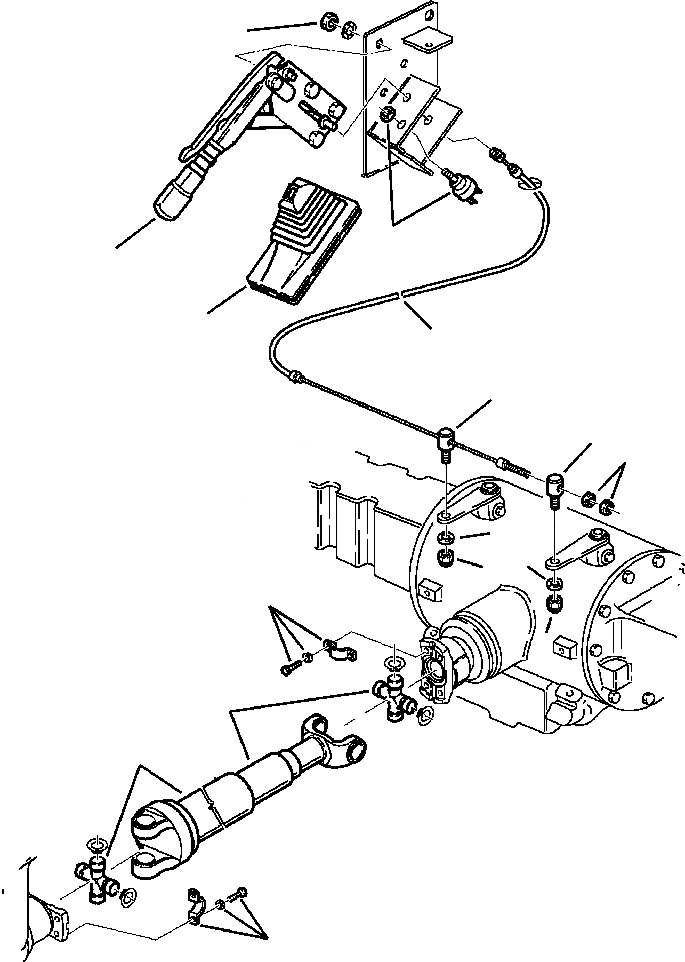
1

880050039

LEVER, HAND BRAKE

2

312648628

BOOT

3

801920105

NUT

4

885080069

SWITCH

5

312608075

CABLE

6

312608632

FASTENER, CABLE

7

801920104

NUT

8

801880001

NUT, LOCK

9

802170002

WASHER

10

312606071

SHAFT, REAR DRIVE

11

878000514

MOUNTING KIT, SHAFT

Выбрано товаров: 11