Качественные детали и логистика
Оригинальные и аналоговые запчасти с доставкой по России, Казахстану и Беларуси
©2022 PartSell ООО "Система" ИНН 2463123282 ОГРН 1212400004838
Центральный офис: г. Красноярск, Академика Киренского, д.87, пом.4
Телефон: 8 (800) 777-65-74 Email: zakaz@partsell.ru
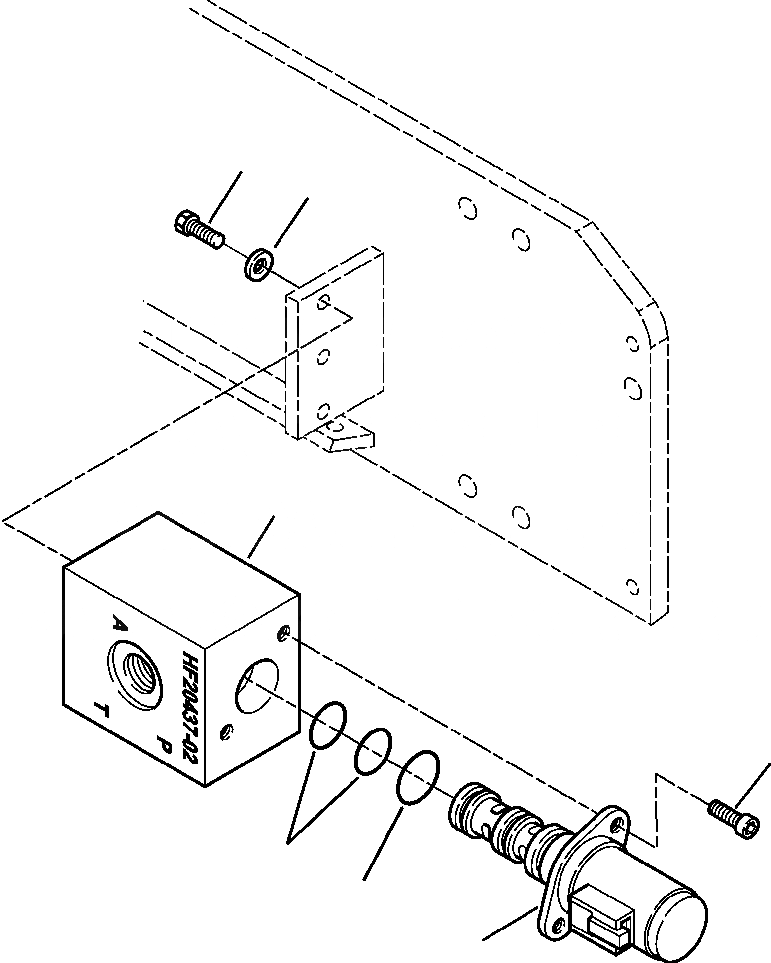
H-PA PPC СИСТЕМА МОЛОТ СОЛЕНОИДНЫЙ КЛАПАН - заводской номер A7-
№
Артикул
Название
Примечание
Количество
|$0
845240019
VALVE, REGULATOR
1
845241022
VALVE, SOLENOID
|$2
845241025
KIT, SEAL
2
NSS
O-RING
3
4
BLOCK, VALVE
5
845241008
BOLT
6
01010-50820
7
01643-30823
WASHER
Выбрано товаров: 0