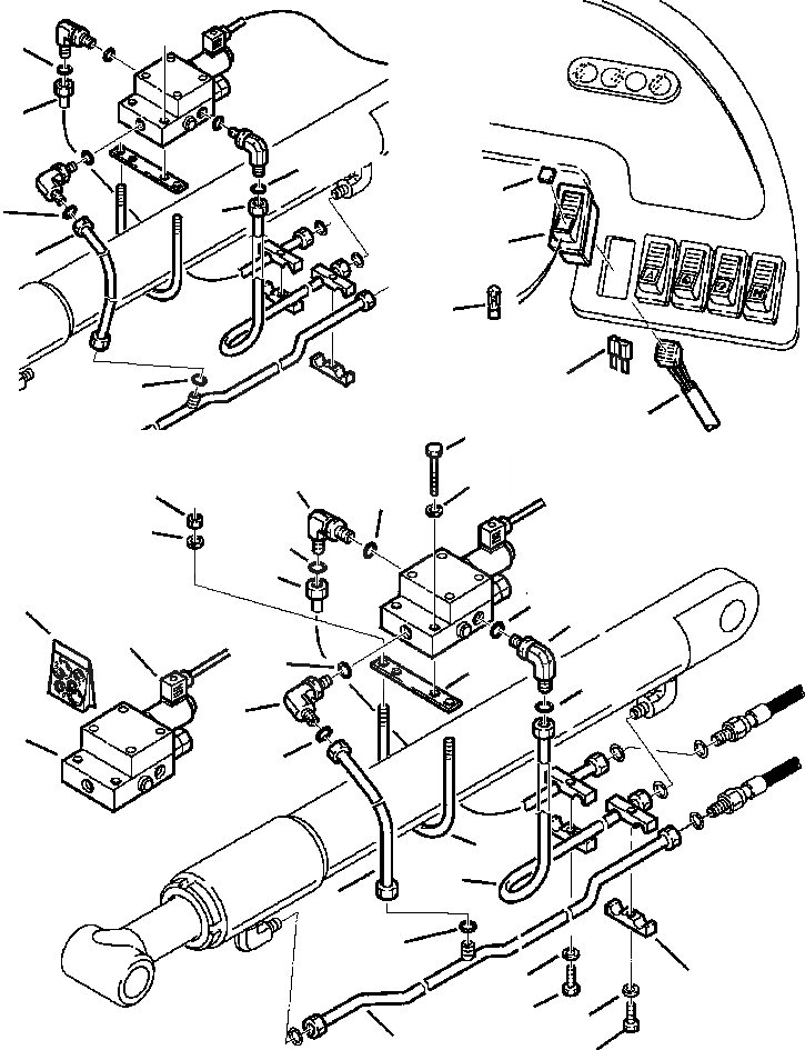
Запчасти Komatsu WB140-2N HA-A ПОГРУЗ. ТРУБЫ ЦИЛИНДР СТРЕЛЫЭЛЕКТРИЧ. КЛАПАН БЕЗОПАСНОСТИ - заводской номер A7-A8 ГИДРАВЛИКА

Схема запчастей Komatsu WB140-2N - HA-A ПОГРУЗ. ТРУБЫ ЦИЛИНДР СТРЕЛЫЭЛЕКТРИЧ. КЛАПАН БЕЗОПАСНОСТИ - заводской номер A7-A8 ГИДРАВЛИКА
11
25
11
28
20
13
27
17
29
26
15
30
6
5
9
8
10
5
11
24
10
4
9
3
19
1
11
18
2
20
7
12
16
15
22
21
23
22
14
23
FIT
1:1
100%

Артикул

Название

Примечание

Количество

1

312237601

PLATE

|$1

845250079

SOLENOID VALVE

2

845250547

VALVE

3

845750003

SOLENOID

4

845250505

GASKET, KIT

5

802170001

WASHER, SPRING

6

801015547

BOLT

7

312237600

U BOLT

8

801920104

NUT

9

500380510

ELBOW

10

855051617

O-RING

11

855051016

O-RING

12

312637070

TUBE

13

312637073

TUBE

14

312637068

PIPE

15

855051012

O-RING

16

312637069

TUBE

17

312637072

TUBE

18

500380503

ELBOW

19

855051111

O-RING

20

855051012

O-RING

21

200390970

CLAMP

22

801015089

BOLT

23

802170001

WASHER, SPRING

24

312637071

TUBE

25

312637074

TUBE

|$26

885270665

WIRING HARNESS

26

885091008

FUSE, 15A

27

885081088

SWITCH, SECURITY VALVE

28

885141108

LENS

29

885141072

BULB

30

885411096

CONNECTOR

Выбрано товаров: 32