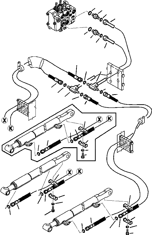
Запчасти Komatsu WB140-2N H-A ПОГРУЗ. ТРУБЫ УПРАВЛЯЮЩ. КЛАПАН - ЦИЛИНДР КОВША - заводской номер A7- ГИДРАВЛИКА

Схема запчастей Komatsu WB140-2N - H-A ПОГРУЗ. ТРУБЫ УПРАВЛЯЮЩ. КЛАПАН - ЦИЛИНДР КОВША - заводской номер A7- ГИДРАВЛИКА
2
1
3
4
2
1
3
5
6
7
4
7
8
6
9
5
9
8
10
8
13
6
10
13
12
11
10
10
10
12
8
13
6
6
10
11
13
13
12
8
13
11
FIT
1:1
100%

Артикул

Название

Примечание

Количество

1

500380113

UNION

2

855051119

O-RING

3

855051018

O-RING

4

312610077

PIPE

5

312610078

PIPE

6

2938-62-1230

HOSE

7

855051014

O-RING

8

2938-62-1210

HOSE

9

855051014

O-RING

10

312610064

CLAMP, HOSE

11

801015548

BOLT

12

802170001

WASHER

13

855051014

O-RING

Выбрано товаров: 0