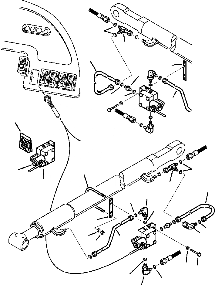
Запчасти Komatsu WB140-2N H-A9 ПОГРУЗ. ТРУБЫ ЦИЛИНДР КОВША ЭЛЕКТРИЧ. КЛАПАН БЕЗОПАСНОСТИ - заводской номер A7-A8 ГИДРАВЛИКА

Схема запчастей Komatsu WB140-2N - H-A9 ПОГРУЗ. ТРУБЫ ЦИЛИНДР КОВША ЭЛЕКТРИЧ. КЛАПАН БЕЗОПАСНОСТИ - заводской номер A7-A8 ГИДРАВЛИКА
19
18
17
1
13
14
15
12
4
19
7
3
2
18
16
9
11
10
1
21
20
5
12
8
5
6
10
11
9
FIT
1:1
100%

Артикул

Название

Примечание

Количество

1

312237601

PLATE

|$1

845250079

VALVE, SAFETY

2

845250547

VALVE, SOLENOID

3

845750003

SOLENOID

4

845250505

GASKET, KIT

5

802170001

WASHER, SPRING

6

801015547

BOLT

7

312237600

U BOLT

8

801920104

NUT

9

500380508

UNION, ELBOW

10

855051617

O-RING

11

855051014

O-RING

12

312637075

TUBE

13

500380106

UNION

14

855051111

O-RING

15

855051014

O-RING

16

312637077

TUBE

17

312637076

TUBE

18

500380872

UNION

19

855051014

O-RING

20

500380462

ELBOW

21

855051014

O-RING

Выбрано товаров: 22