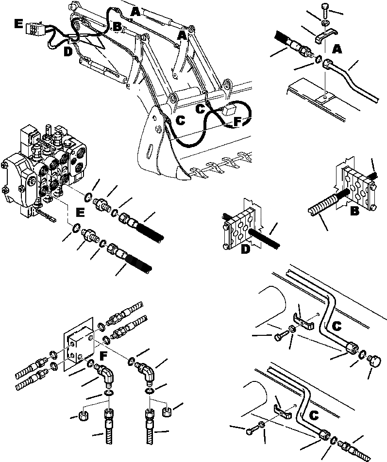
Запчасти Komatsu WB140-2N H-A ПОГРУЗ. ТРУБЫ УПРАВЛЯЮЩ. КЛАПАН - MP КОВШ - заводской номер A7- ГИДРАВЛИКА

Схема запчастей Komatsu WB140-2N - H-A ПОГРУЗ. ТРУБЫ УПРАВЛЯЮЩ. КЛАПАН - MP КОВШ - заводской номер A7- ГИДРАВЛИКА
9
10
8
6
4
7
4
5
7
6
4
2
1
3
4
4
18
2
1
3
4
8
17
15
9
6
10
7
12
16
17
11
15
8
16
19
19
10
13
13
13
9
6
7
14
FIT
1:1
100%

Артикул

Название

Примечание

Количество

1

500380124

CONNECTOR

2

855051119

O-RING

3

855051014

O-RING

4

2938-62-1250

HOSE

5

855051016

O-RING

6

312631052

TUBE, RIGHT

7

312631053

TUBE, LEFT

8

312631600

RETAINER, TUBE

10

802150510

WASHER

11

500380303

PLUG LESS BUCKET

12

855051016

O-RING LESS BUCKET

13

392431023

HOSE

14

855051016

O-RING

15

500380510

ELBOW

16

855051016

O-RING

17

855051617

O-RING

18

312630726

PROTECTOR, HOSE

19

500380313

PLUG LESS BUCKET

Выбрано товаров: 0