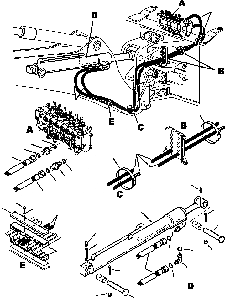
Запчасти Komatsu WB140-2N H7-A ЭКСКАВАТ. ТРУБЫ ЦИЛИНДР СТРЕЛЫS - заводской номер A7- ГИДРАВЛИКА

Схема запчастей Komatsu WB140-2N - H7-A ЭКСКАВАТ. ТРУБЫ ЦИЛИНДР СТРЕЛЫS - заводской номер A7- ГИДРАВЛИКА
4
4
5
2
1
3
4
5
4
2
1
14
3
4
20
18
21
22
7
4
6
14
13
10
19
12
8
4
16
9
11
17
15
FIT
1:1
100%

Артикул

Название

Примечание

Количество

1

500380113

UNION

2

855051119

O-RING

3

855051018

O-RING

4

392860004

HOSE

5

334402053

TIE STRAP

6

312704611

PIN, CYLINDER

7

801015584

BOLT

8

801880212

NUT, LOCK

9

500380512

UNION, ELBOW

10

855051617

O-RING

11

855051018

O-RING

12

855051018

O-RING

13

390053005

EXTENSION, GREASE FITTING

14

860010007

FITTING, GREASE

15

390597070

PIN, CYLINDER

16

801015582

BOLT

17

801880212

NUT, LOCK

18

312708642

PLATE, HOSE CLAMP

19

312708641

CLAMP, HOSE

20

801015563

BOLT

21

802170002

WASHER

Выбрано товаров: 21