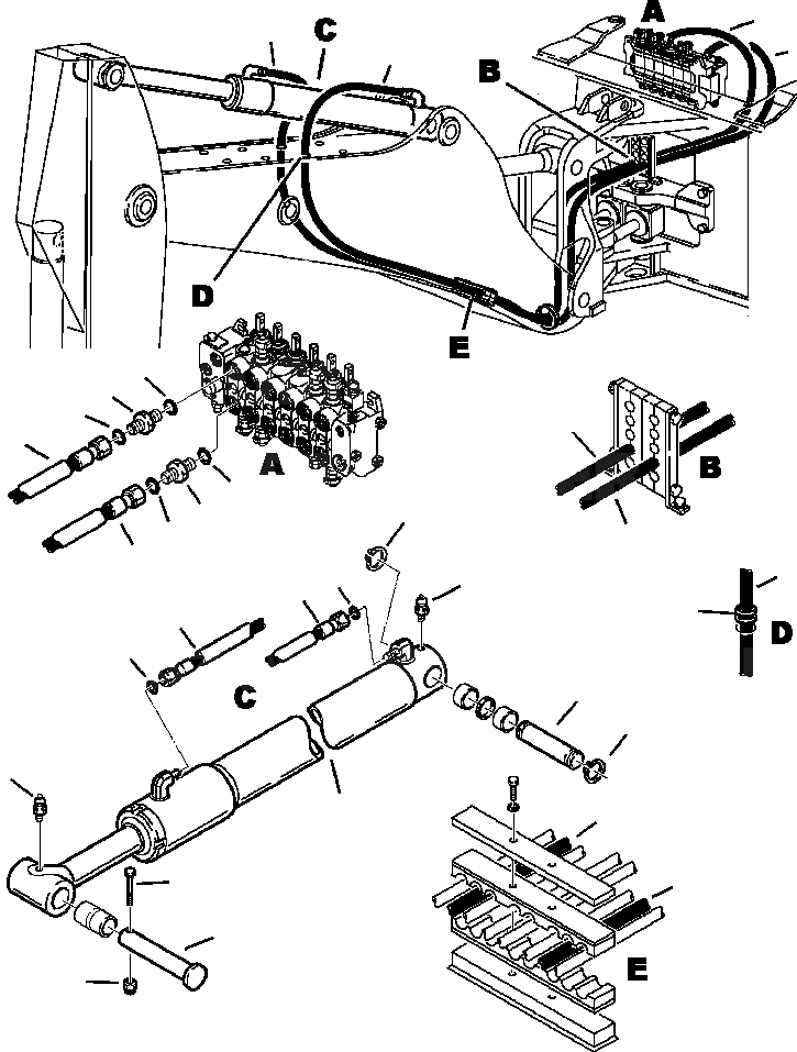
Запчасти Komatsu WB140-2N H7-A ЭКСКАВАТ. ТРУБЫ ЦИЛИНДР РУКОЯТИS - заводской номер A7- ГИДРАВЛИКА

Схема запчастей Komatsu WB140-2N - H7-A ЭКСКАВАТ. ТРУБЫ ЦИЛИНДР РУКОЯТИS - заводской номер A7- ГИДРАВЛИКА
4
4
5
5
2
1
3
4
4
2
14
1
3
5
4
5
5
15
9
5
6
4
15
13
14
8
4
7
5
11
10
12
FIT
1:1
100%

Артикул

Название

Примечание

Количество

1

500380113

UNION

2

855051119

O-RING

3

855051018

O-RING

4

238856140

HOSE

5

392860024

HOSE

6

312708621

BUSHING, HOSE

8

860030004

FITTING, GREASE

9

860010007

FITTING, GREASE

10

390597067

PIN, CYLINDER

12

801880212

NUT, LOCK

13

312708617

PIN, CYLINDER

14

802270017

RING, SNAP

15

855051018

O-RING

Выбрано товаров: 0