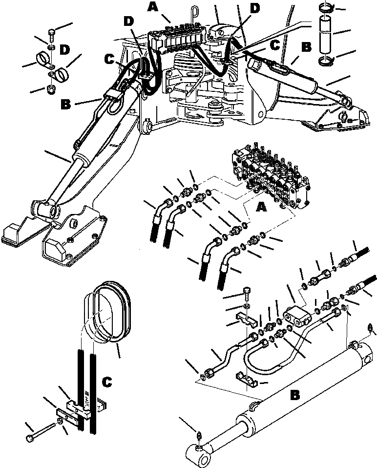
Запчасти Komatsu WB140-2N H7-A ЭКСКАВАТ. ТРУБЫ ЦИЛИНДР ОПОРЫ ЛИНИИ - заводской номер A7- ГИДРАВЛИКА

Схема запчастей Komatsu WB140-2N - H7-A ЭКСКАВАТ. ТРУБЫ ЦИЛИНДР ОПОРЫ ЛИНИИ - заводской номер A7- ГИДРАВЛИКА
31
33
30
15
32
31
32
12
34
11
2
1
3
6
2
1
3
4
2
4
5
1
21
4
3
20
6
19
22
17
23
14
6
16
7
18
15
24
13
9
10
8
17
18
24
16
29
26
13
25
10
27
28
FIT
1:1
100%

Артикул

Название

Примечание

Количество

1

500380111

UNION

2

855051119

O-RING

3

855051016

O-RING

4

392866001

HOSE

5

855051016

O-RING

6

392866002

HOSE

7

855051016

O-RING

8

312731074

TUBE, RIGHT ROD

|$8

312731077

TUBE, LEFT ROD

9

312731073

TUBE, RIGHT BARREL

|$10

312731076

TUBE, LEFT BARREL

10

860010007

FITTING, GREASE

13

200390970

CLAMP, TUBING

14

801015089

BOLT

15

802170001

WASHER

16

306510131

UNION

17

855051013

O-RING

18

855051016

O-RING

19

845250032

VALVE, CHECK

20

855150037

O-RING

21

312730075

TUBE

22

306610074

CONNECTOR

23

855051013

O-RING

24

855051016

O-RING

25

312707601

PLATE

26

312707602

CLAMP, HOSE

27

801015549

BOLT

28

802150508

WASHER

29

312707609

PROTECTOR, HOSE

30

312610629

PROTECTOR, HOSE

31

885180005

CLAMP

32

802660500

CLAMP

33

801015110

BOLT

34

801880001

NUT, LOCK

Выбрано товаров: 34