Качественные детали и логистика
Оригинальные и аналоговые запчасти с доставкой по России, Казахстану и Беларуси
©2022 PartSell ООО "Система" ИНН 2463123282 ОГРН 1212400004838
Центральный офис: г. Красноярск, Академика Киренского, д.87, пом.4
Телефон: 8 (800) 777-65-74 Email: zakaz@partsell.ru
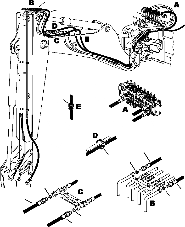
H9-A МОЛОТ ТРУБЫ КЛАПАН - ТЕЛЕСКОПИЧЕСК. РУКОЯТЬ -заводской номер A7-
№
Артикул
Название
Примечание
Количество
1
392862001
HOSE
2
855051018
O-RING
3
392402004
4
5
855051021
6
802660506
TIE STRAP
7
312708621
GROMMET, RUBBER
Выбрано товаров: 0