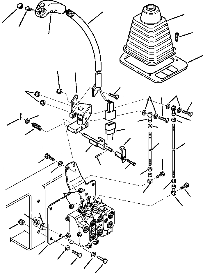
Запчасти Komatsu WB140-2N K-A УПРАВЛЕНИЕ ПОГРУЗКОЙ РЫЧАГ GP КОВШ OPERATORS ОБСТАНОВКА И УПРАВЛ-ЕS

Схема запчастей Komatsu WB140-2N - K-A УПРАВЛЕНИЕ ПОГРУЗКОЙ РЫЧАГ GP КОВШ OPERATORS ОБСТАНОВКА И УПРАВЛ-ЕS
11
33
10
35
9
8
34
16
12
15
27
26
26
25
25
23
24
24
30
29
21
30
19
22
28
28
17
25
13
18
20
14
31
27
31
32
25
32
2
3
7
4
6
5
2
1
FIT
1:1
100%

Артикул

Название

Примечание

Количество

1

01010-81050

BOLT

2

01643-11032

WASHER

3

21D-09-24190

NUT, LOCK

4

312609622

SUPPORT, CONTROL VALVE

5

01016-51040

BOLT

6

01643-11032

WASHER

7

21D-09-24190

NUT, LOCK

|$7

312608086

LEVER KNOB

8

NSS

KNOB

9

885081151

MICROSWITCH

10

885241029

COVER, SWITCH

11

312609061

LEVER, VALVE CONTROL

12

312609060

BASE, LEVER

13

01016-51030

BOLT

14

01643-11032

WASHER

15

01010-80820

BOLT

16

801852408

NUT, LOCK

17

312609054

BLOCK, LEVER CONTROL

18

801510191

PIN, LEVER

19

312648680

LEVER

20

01224-40845

SCREW

21

312612123

WIRING HARNESS

22

390100020

SPRING

23

01643-11232

WASHER

24

04250-81056

JOINT

25

01010-81040

BOLT

26

312209604

SPACER

27

01598-01011

NUT, LOCK

28

312609625

ROD, CONTROL

29

04050-13030

PIN, COTTER

30

01582-11008

NUT

31

01508-41006

NUT, LEFT.

32

04250-91056

JOINT, LEFT

33

312648813

BOOT

34

312648669

PLATE, BOOT

35

01225-40420

BOLT

Выбрано товаров: 0