Запчасти Komatsu WB140-2N K7-A КОНДИЦ. ВОЗДУХА ВОЗДУХОВОДЫING И УПРАВЛ-ЕS - заводской номер A7-A8 OPERATORS ОБСТАНОВКА И УПРАВЛ-ЕS

Схема запчастей Komatsu WB140-2N - K7-A КОНДИЦ. ВОЗДУХА ВОЗДУХОВОДЫING И УПРАВЛ-ЕS - заводской номер A7-A8 OPERATORS ОБСТАНОВКА И УПРАВЛ-ЕS
3
13
1
10
11
24
12
14
2
4
10
5
9
26
7
8
19
7
10
17
27
23
23
10
20
25
22
18
10
21
6
10
22
10
10
15
16
10
6
10
16
FIT
1:1
100%

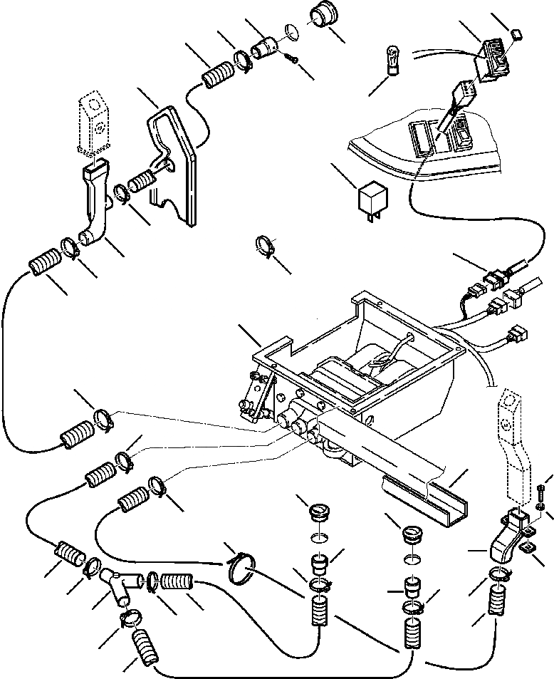
Артикул

Название

Примечание

Количество

1

880011067

AC SWITCH

2

885141072

BULB

3

880011068

LENS, AC

4

885071022

RELAY, MINI

5

312649139

WIRING HARNESS, SWITCH

6

312649096

HOSE

7

802660014

CLAMP

8

312649097

HOSE

9

312649093

UNION, TEE

10

802660176

CLAMP

11

312649135

HOSE

12

312649127

BARRIER, HOSE (WALL)

13

312649133

UNION

14

801370040

SCREW, SELF TAPPING

15

312649094

UNION, Y

16

312649095

HOSE

17

312649612

INSULATION

18

312649134

UNION, LEFT LATERAL

20

802148006

WASHER

21

885710507

GASKET

22

880011033

REDUCER

23

880011031

STUB

24

880011038

STUB

25

885180005

TIE STRAP

26

802660507

CLAMP

27

801250261

SCREW

Выбрано товаров: 26