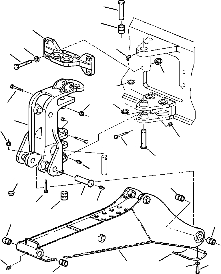
Запчасти Komatsu WB140-2N T-A ЭКСКАВАТ. СТРЕЛА И ПОВОРОТН. БЛОК РАБОЧЕЕ ОБОРУДОВАНИЕ

Схема запчастей Komatsu WB140-2N - T-A ЭКСКАВАТ. СТРЕЛА И ПОВОРОТН. БЛОК РАБОЧЕЕ ОБОРУДОВАНИЕ
24
25
14
23
16
15
17
22
12
21
13
8
12
20
19
18
4
26
2
10
4
11
9
3
2
4
5
1
6
7
3
FIT
1:1
100%

Артикул

Название

Примечание

Количество

1

312708052

BOOM

2

500210034

BUSHING

3

37B-09-4B005

BUSHING

4

21D-09-89140

FITTING, GREASE

5

312708053

PLATE, BOOM PROTECTION

6

01016-51030

BOLT

7

01643-11032

WASHER

8

312704612

BRACKET, SWING

9

42N-856-2520

BUSHING

10

312704608

PIN, BOOM

11

01011-81210

BOLT

12

21D-09-24200

NUT, LOCK

13

01011-81230

BOLT

14

312703624

BRACKET, SUPPORT

15

01010-82475

BOLT

16

37A-09-3Z024

WASHER

17

01580-12419

NUT

18

42N-856-1740

PIN, LOWER SWING BRACKET

19

01011-81230

BOLT

20

21D-09-24200

NUT, LOCK

21

37B-09-4F064

SPACER, SWING BRACKET

22

802770024

RING, SNAP

23

21D-09-89300

FITTING, GREASE

24

37B-09-46065

PIN, UPPER SWING BRACKET

25

312704603

BUSHING

26

500610633

PLUG

Выбрано товаров: 26