Запчасти Komatsu WB140-2N T-A ЭКСКАВАТ. СТРЕЛА БЕЗОПАСН. БЛОКИР. РАБОЧЕЕ ОБОРУДОВАНИЕ

Схема запчастей Komatsu WB140-2N - T-A ЭКСКАВАТ. СТРЕЛА БЕЗОПАСН. БЛОКИР. РАБОЧЕЕ ОБОРУДОВАНИЕ
3
2
1
3
16
15
18
13
6
3
6
14
17
4
22
5
20
7
19
24
9
23
21
21
12
8
9
24
4
11
10
11
FIT
1:1
100%

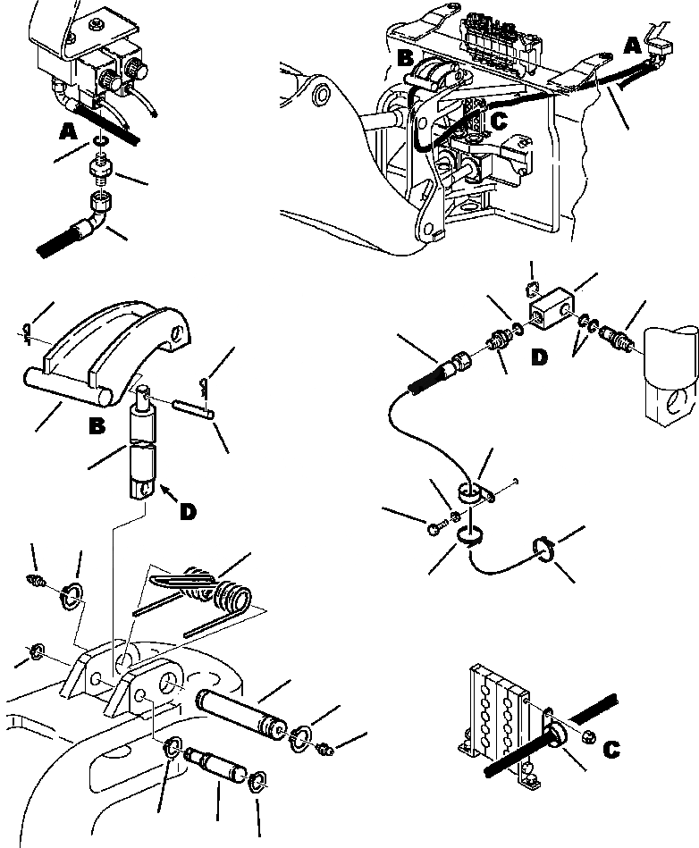
Артикул

Название

Примечание

Количество

1

21D-09-51160

UNION

2

855051111

O-RING

3

2938-62-1190

HOSE

4

04434-51610

CLAMP

5

312715630

PIN, SAFETY LOCK CYLINDER

6

04050-12015

PIN, COTTER

8

312715641

PIN, SAFETY LOCK BRACKET

9

04064-02512

RING, SNAP

10

312715631

PIN, SAFETY LOCK CYLINDER

11

04064-01510

RING, SNAP

12

04064-01010

RING, SNAP

13

312715625

UNION

14

855021610

O-RING

15

312715626

UNION

16

04064-01010

RING, SNAP

17

500351754

UNION

18

02896-11008

O-RING

19

01010-80820

BOLT

20

01643-10823

WASHER

21

08034-20823

TIE STRAP

22

312715629

BRACKET, BOOM SAFETY LOCK

23

312715639

SPRING

24

860010001

FITTING

Выбрано товаров: 23