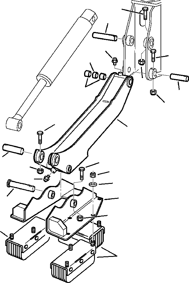
Запчасти Komatsu WB140-2N T-A ЭКСКАВАТ. ОПОРАS SEGMENTED РЕЗИН. ПОДУШКАS РАБОЧЕЕ ОБОРУДОВАНИЕ

Схема запчастей Komatsu WB140-2N - T-A ЭКСКАВАТ. ОПОРАS SEGMENTED РЕЗИН. ПОДУШКАS РАБОЧЕЕ ОБОРУДОВАНИЕ
16
14
4
16
2
17
3
15
17
6
1
5
9
7
13
4
18
11
8
10
12
12
FIT
1:1
100%

Артикул

Название

Примечание

Количество

1

312702059

OUTRIGGER, STABILIZER

2

500250024

SPACER

3

500212014

BUSHING

4

21D-09-89140

FITTING, GREASE

5

390597056

PIN, CYLINDER/STABILIZER

6

01011-81210

BOLT

7

21D-09-24200

NUT, LOCK

8

312302059

PIN, FOOT

9

01010-81290

BOLT

10

21D-09-24200

NUT, LOCK

11

312702054

PAD, METAL

12

2938-70-2740

PAD, SEGMENTED

13

21D-09-24200

NUT, LOCK

14

390597057

PIN, CYLINDER/FRAME

15

390597058

PIN, STABILIZER/FRAME

16

01011-81210

BOLT

17

21D-09-24200

NUT, LOCK

18

01643-11232

WASHER

Выбрано товаров: 18