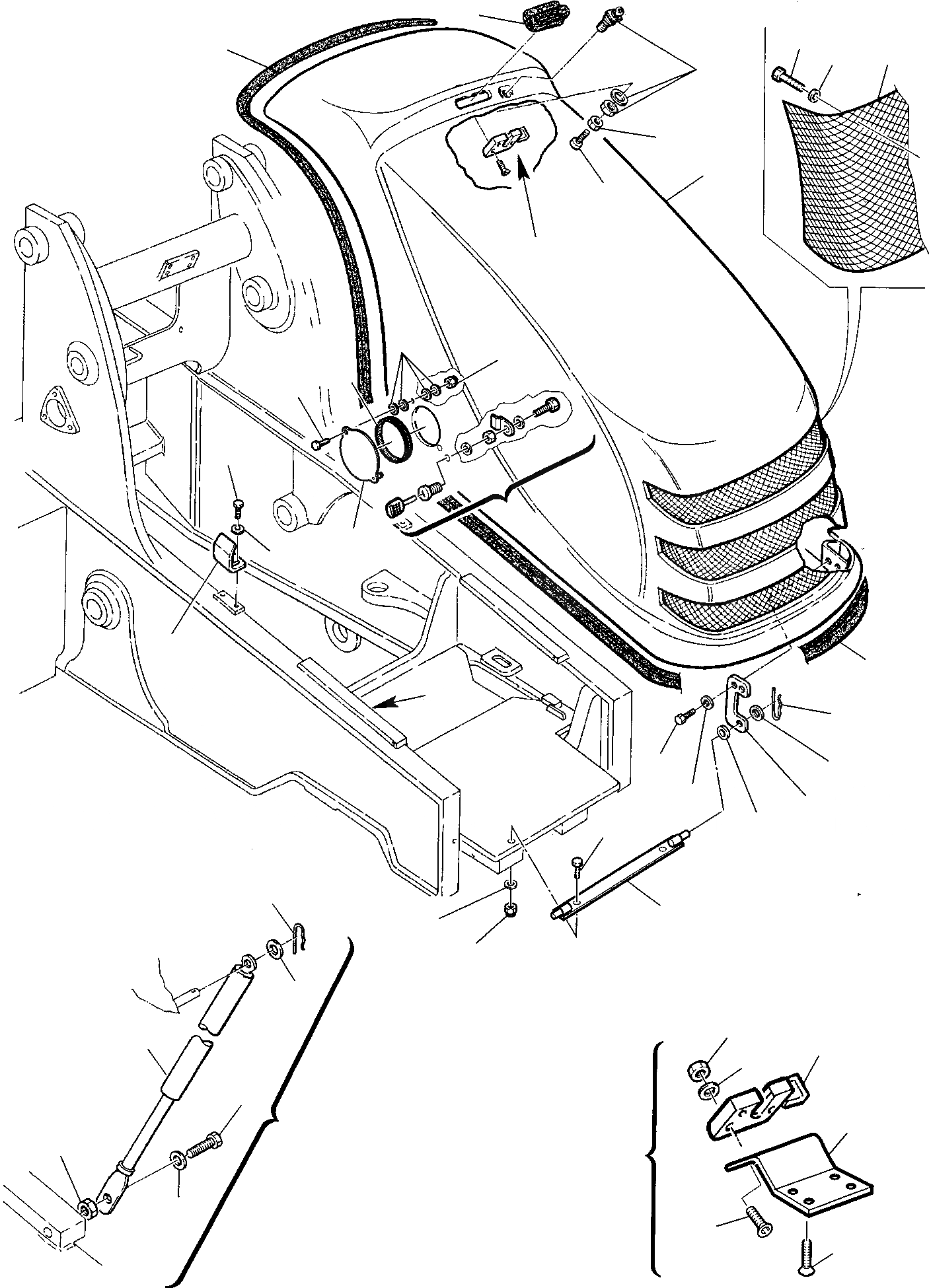
Запчасти Komatsu WB140PS-2 КРЫШКИ (/) ЧАСТИ КОРПУСА И КАБИНА

Схема запчастей Komatsu WB140PS-2 - КРЫШКИ (/) ЧАСТИ КОРПУСА И КАБИНА
7
3
5
A
A
2
4
B
11
B
B
12
1
13
17
16
18
15
21
19
14
22
20
5
30
31
29
32
27
29
24
28
6
23
26
25
36
10
33
8
36
34
37
35
36
9
38
FIT
1:1
100%

Артикул

Название

Примечание

Количество

1

312605113

HOOD

2

312648656

GRID

3

801370016

SCREW

4

802148003

WASHER

5

855711096

HOOD GASKET

6

802620095

COTTER

7

3F0540602

BOOT

8

816214346

LOCK HOOD

9

801200697

BOLT

10

801880208

NUT

11

816214962

LOCK BLOCK

12

801920103

NUT

13

801014048

BOLT

14

312605084

INSPECTION PLUG

15

801015110

BOLT

16

801852210

SELF-LOCKING NUT

17

804010058

SPRING WASHER

18

312605757

GASKET

19

816214960

LOCK

20

312605696

HOOD CROOKED

21

801015086

BOLT

22

802170001

WASHER

23

312601054

HINGE LINKAGE

24

801015573

BOLT

25

801880212

SELF-LOCKING NUT

26

802170003

WASHER

27

312605749

LEVER, L.H.

28

312605753

LEVER, R.H.

29

802070020

WASHER

30

802620102

COTTER

31

801015110

BOLT

32

802170002

WASHER

33

816214872

CYLINDER

34

801015089

BOLT

35

801920104

NUT

36

802170001

WASHER

37

312648657

SUPPORT

38

801200017

BOLT

Выбрано товаров: 38