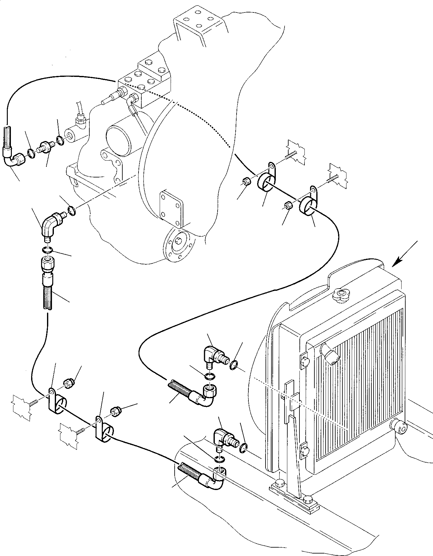
Запчасти Komatsu WB140PS-2 ГИДРОЛИНИЯ (ОХЛАЖДЕНИЕ ТРАНСМИССИИ ЛИНИЯ) РАМА

Схема запчастей Komatsu WB140PS-2 - ГИДРОЛИНИЯ (ОХЛАЖДЕНИЕ ТРАНСМИССИИ ЛИНИЯ) РАМА
a
10
11
9
5
7
6
13
12
13
12
8
4
1
2
12
13
3
12
13
5
1
2
3
4
FIT
1:1
100%

Артикул

Название

Примечание

Количество

1

500380513

ELBOW

2

855051119

O-RING

3

855051018

O-RING

4

392403003

HOSE

5

392405004

HOSE

6

500380481

ELBOW

7

855670003

O-RING

8

855051018

O-RING

9

500380087

UNION

10

855670003

O-RING

11

855051018

O-RING

12

802660508

CLAMP

13

801880208

SELF-LOCKING NUT

Выбрано товаров: 13