Запчасти Komatsu WB140PS-2 ВОЗДУШН. СИСТЕМА ДВИГАТЕЛЯ (/) ЧАСТИ КОРПУСА И КАБИНА

Схема запчастей Komatsu WB140PS-2 - ВОЗДУШН. СИСТЕМА ДВИГАТЕЛЯ (/) ЧАСТИ КОРПУСА И КАБИНА
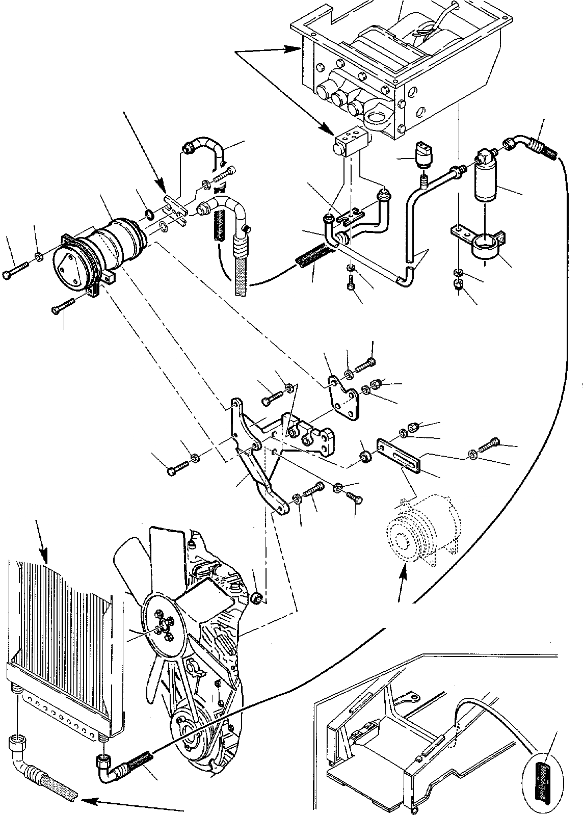
30
20
25
22
19
1
26
6
21
2
21
27
29
20
24
23
28
18
3
17
15
17
16
9
10
5
17
4
6
14
31
13
12
6
7
8
8
6
11
32
30
A
B
C
C
C
FIT
1:1
100%

Артикул

Название

Примечание

Количество

\0

888011041

AIR BLENDING SYSTEM, ASSY

\0

888011043

MOTOR AIR BLENDING SYSTEM, KIT

1

312649051

COMPRESSOR

2

801015112

BOLT

3

801200727

BOLT

4

312649603

SPACER

5

801880001

SELF-LOCKING NUT

6

802170002

WASHER

7

888011070

COMPRESSOR SUPPORT PLATE

8

801015111

BOLT

9

801703008

NUT

10

802150508

WASHER

11

312649605

SPACER

12

312649067

SUPPORT

13

802148009

WASHER

14

801015087

BOLT

15

312649066

REAR SUPPORT

16

801015090

BOLT

17

802170001

WASHER

18

801015086

BOLT

19

312649607

O-RING

20

312649064

HOSE

21

312649065

TUBE

22

312649059

FLANGE FIXING TUBE

23

801105523

BOLT

24

888011075

SPRING WASHER

25

312649060

AIR PRESSURE SWITCH

26

312649057

FILTER

27

312649058

FILTER SUPPORT

28

801880206

SELF-LOCKING NUT

29

802148006

WASHER

30

312649062

HOSE

31

801015091

BOLT

32

312601709

GASKET

Выбрано товаров: 34