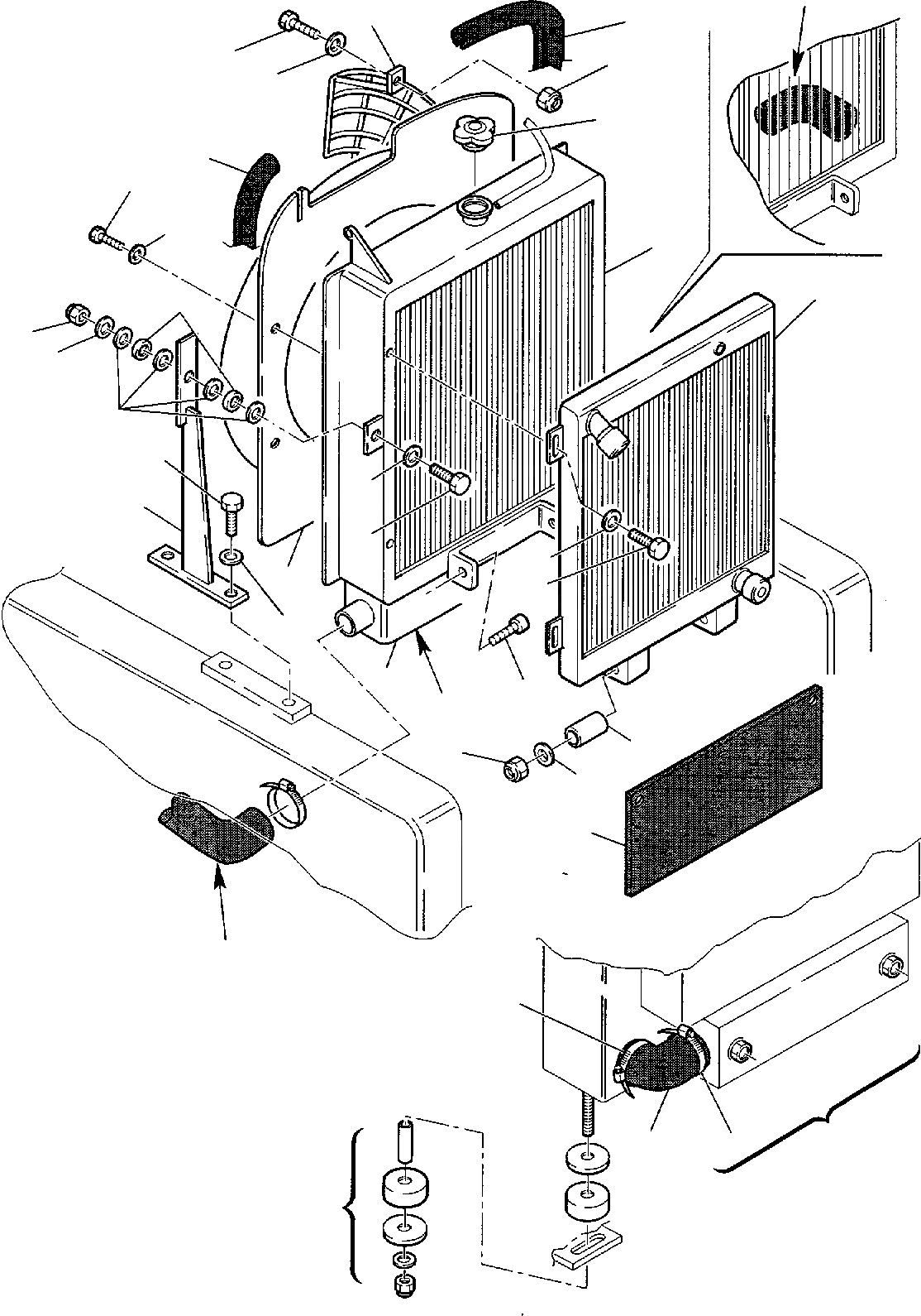
Запчасти Komatsu WB140PS-2 РАДИАТОР КОМПОНЕНТЫ ДВИГАТЕЛЯ И ЭЛЕКТРИКА

Схема запчастей Komatsu WB140PS-2 - РАДИАТОР КОМПОНЕНТЫ ДВИГАТЕЛЯ И ЭЛЕКТРИКА
A
17
A
A
28
18
20
19
2
28
10
11
1
3
27
26
25
30
22
25
21
24
5
9
4
23
12
6
16
7
8
29
14
13
14
15
A
FIT
1:1
100%

Артикул

Название

Примечание

Количество

\0

312607101

COMPLETE RADIATOR

1

875001157

WATER RADIATOR

2

875001093

PLUG

3

875001158

HYDRAULIC AIR-OIL EXCHANGE

4

801015084

BOLT

5

802170001

WASHER

6

BOLT

7

SELF-LOCKING NUT

8

WASHER

9

875001160

CONVEYOR

10

801015064

BOLT

11

802170000

WASHER

12

875001161

WATER-OIL CONVERT EXCHANGER

13

875001149

HOSE

14

802660010

CLAMP

15

875001128

VIBRATION DAMPER

16

875001177

BUSHING

17

312607092

PROTECTION

18

801015066

BOLT

19

802170000

WASHER

20

801852206

SELF-LOCKING NUT

21

312607091

RADIATOR SUPPORT

22

801015087

BOLT

23

802170001

WASHER

24

801015547

BOLT

25

802148009

WASHER

26

801880208

SELF-LOCKING NUT

27

500411236

RUBBER

28

312605111

GASKET

29

312607690

PROTECTION

30

802148010

WASHER

Выбрано товаров: 31