Запчасти Komatsu WB140PS-2 ПЕРЕДНИЙ МОСТ (/) РАМА

Схема запчастей Komatsu WB140PS-2 - ПЕРЕДНИЙ МОСТ (/) РАМА
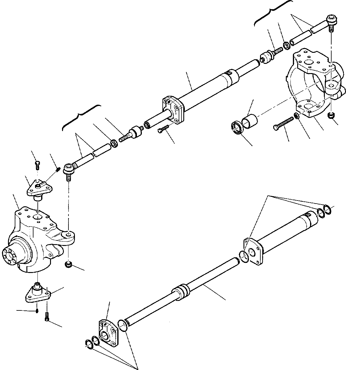
20
1
4
3
2
5
17
1
2
3
11
4
14
15
16
8
6
7
9
10
19
11
12
18
21
13
8
19
FIT
1:1
100%

Артикул

Название

Примечание

Количество

\0

200040634

FRONT AXLE, ASSY

1

CA0140265

STERING ARM ASSY

2

CA0350878

SPHERICAL JOINT

5

CA0139495

JACK

6

CA0128534

BOLT

9

CA0128880

KING PIN

10

CA0138721

SWIVEL HOUSING, L.H.

12

CA0128881

KING PIN

13

CA0024211

FITTING

14

CA0138720

SWIVEL HOUSING

15

CA0022129

NUT

16

CA0124748

BOLT

18

CA0049084

CYLINDER HEAD

19

CA0049210

GASKET KIT

21

CA0049083

ROD

Выбрано товаров: 0