Запчасти Komatsu WB140PS-2 ГИДР. НАСОС. (/) ГИДРАВЛИКА РАБОЧЕЕ ОБОРУДОВАНИЕ

Схема запчастей Komatsu WB140PS-2 - ГИДР. НАСОС. (/) ГИДРАВЛИКА РАБОЧЕЕ ОБОРУДОВАНИЕ
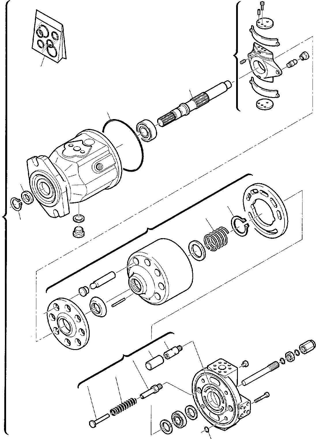
7
2
6
5
4
10
9
1
3
8
11
12
13
FIT
1:1
100%

Артикул

Название

Примечание

Количество

1

840220122

POMPA COMPLETA

2

840225315

KIT GUARNIZIONI

3

840225229

ANELLO ELASTICO

4

840225226

GUARNIZIONE

5

840225227

GUARNIZIONE OR

6

840225311

ALBERO

7

840225224

PIASTRA ASSIALE

8

840225222

GRUPPO ROTANTE

9

840225239

MOLLA

10

840225240

ANELLO ELASTICO

11

840225223

UNITA' DI CONTROLLO

12

840225238

MOLLA

13

840225228

GUARNIZIONE OR

Выбрано товаров: 13