Запчасти Komatsu WB140PS-2 ГИДРОЛИНИЯ (ЦИЛИНДР ПОВОРОТА СТРЕЛЫ ЛИНИЯ) ГИДРАВЛИКА РАБОЧЕЕ ОБОРУДОВАНИЕ

Схема запчастей Komatsu WB140PS-2 - ГИДРОЛИНИЯ (ЦИЛИНДР ПОВОРОТА СТРЕЛЫ ЛИНИЯ) ГИДРАВЛИКА РАБОЧЕЕ ОБОРУДОВАНИЕ
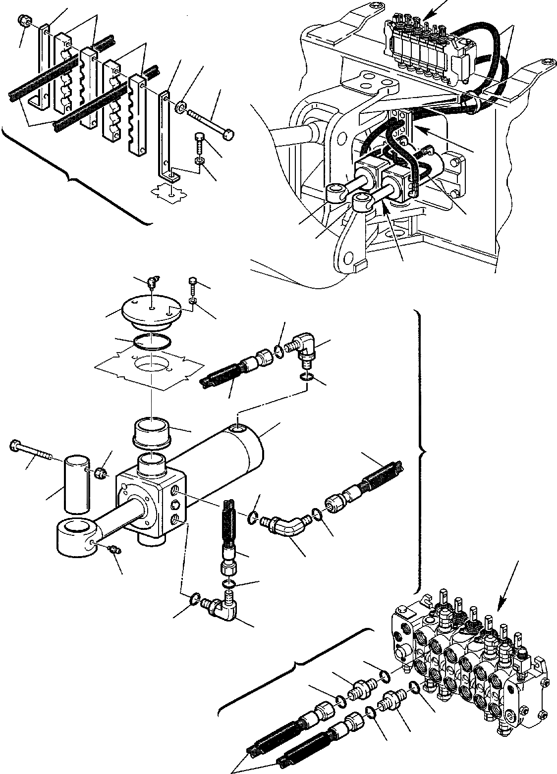
22
21
B
B
C
C
A
A
1
24
A
24
21
27
26
25
1
23
20
8
9
19
17
7
15
18
16
5
6
20
8
14
9
13
20
12
6
11
7
1
5
7
10
6
5
3
2
4
3
2
4
1
FIT
1:1
100%

Артикул

Название

Примечание

Количество

1

392860007

HOSE

2

500380123

UNION

3

855051119

O-RING

4

855051012

O-RING

5

500380503

ELBOW

6

855051111

O-RING

7

855051012

O-RING

8

395005017

BOOM SWING CYLINDER ASSY., R.H.

9

395005018

BOOM SWING CYLINDER ASSY., L.H.

10

860010007

FITTING

13

801880212

WASHER

14

500213511

BUSHING

15

500014689

PLUG

18

802170001

WASHER

19

860030004

FITTING

20

392860003

HOSE

21

312707611

SUPPORT

23

802170002

WASHER

24

312707610

BUCKLE

25

801014810

BOLT

26

802170001

WASHER

27

801880208

SELF-LOCKING NUT

Выбрано товаров: 0