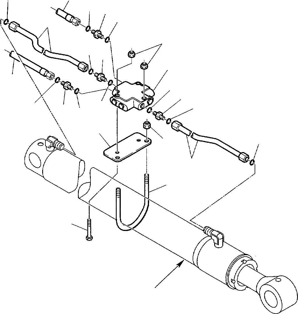
Запчасти Komatsu WB140PS-2 ГИДРОЛИНИЯ (ЦИЛИНДР РУКОЯТИ) (КЛАПАН БЕЗОПАСНОСТИ) (ОПЦИОНН.) ГИДРАВЛИКА РАБОЧЕЕ ОБОРУДОВАНИЕ

Схема запчастей Komatsu WB140PS-2 - ГИДРОЛИНИЯ (ЦИЛИНДР РУКОЯТИ) (КЛАПАН БЕЗОПАСНОСТИ) (ОПЦИОНН.) ГИДРАВЛИКА РАБОЧЕЕ ОБОРУДОВАНИЕ
12
16
3
A
4
2
11
9
4
2
1
16
14
13
3
4
15
2
3
5
12
7
10
6
8
FIT
1:1
100%

Артикул

Название

Примечание

Количество

1

845230002

VALVE

2

500380087

UNION

3

855670003

O-RING

4

855051018

O-RING

5

312731602

VALVE SUPPORT

6

312731603

FASTENER

7

801880001

SELF -LOCKING NUT

8

801015551

BOLT

9

801880408

SELF - LOCKING NUT

10

312731072

PIPE

11

312731065

PIPE

12

855051018

O-RING

13

312731071

UNION

14

855670003

O-RING

15

855051018

O-RING

16

392860017

HOSE

Выбрано товаров: 16