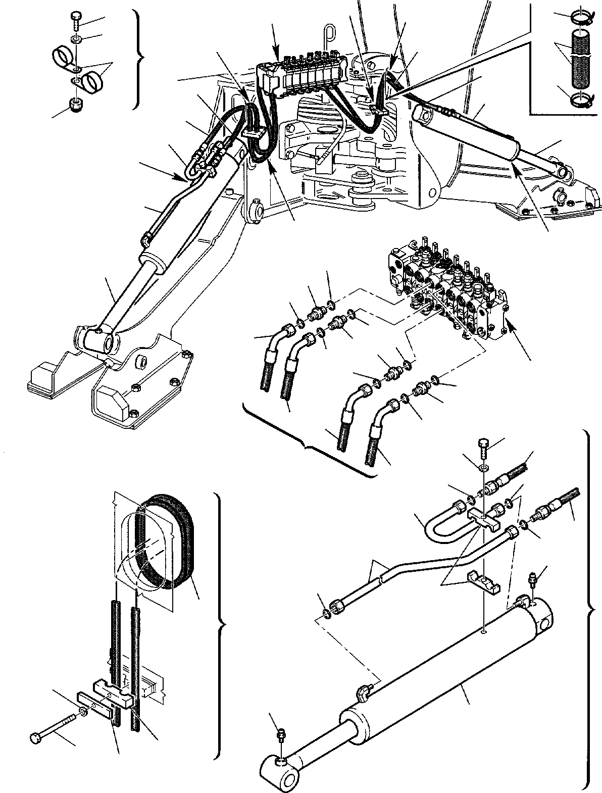
Запчасти Komatsu WB140PS-2 ГИДРОЛИНИЯ (ЦИЛИНДР ОПОРЫ ЛИНИЯ) ГИДРАВЛИКА РАБОЧЕЕ ОБОРУДОВАНИЕ

Схема запчастей Komatsu WB140PS-2 - ГИДРОЛИНИЯ (ЦИЛИНДР ОПОРЫ ЛИНИЯ) ГИДРАВЛИКА РАБОЧЕЕ ОБОРУДОВАНИЕ
21
D
D
A
21
A
C
23
C
D
B
B
C
B
25
A
2
20
4
22
5
5
7
24
4
11
8
7
2
10
1
3
2
5
1
1
3
3
2
1
4
3
4
13
4
14
5
26
6
8
5
6
7
9
12
26
19
18
9
10
11
16
17
15
FIT
1:1
100%

Артикул

Название

Примечание

Количество

1

500380111

UNION

2

855051119

O-RING

3

855051016

O-RING

4

392866001

HOSE

5

392866002

HOSE

6

855051016

O-RING

7

312707093

PIPE L.H.

7

312707094

PIPE R.H.

8

312707095

PIPE L.H.

8

312707096

PIPE R.H.

9

860010007

FITTING

10

395011008

JACK L.H.

11

395011007

JACK R.H.

12

200390970

BUCKLE

13

801015089

BOLT

14

802170001

WASHER

15

312707601

PLATE

16

312707602

BUCKLE

17

801015549

BOLT

18

802150508

WASHER

19

312707609

PROTECTION

20

312610629

PROTECTION

21

885180005

CLAMP

22

802660500

COLLAR

23

801015110

BOLT

24

801880001

SELF-LOCKING NUT

25

802170001

WASCHER

26

855051016

O-RING

Выбрано товаров: 28