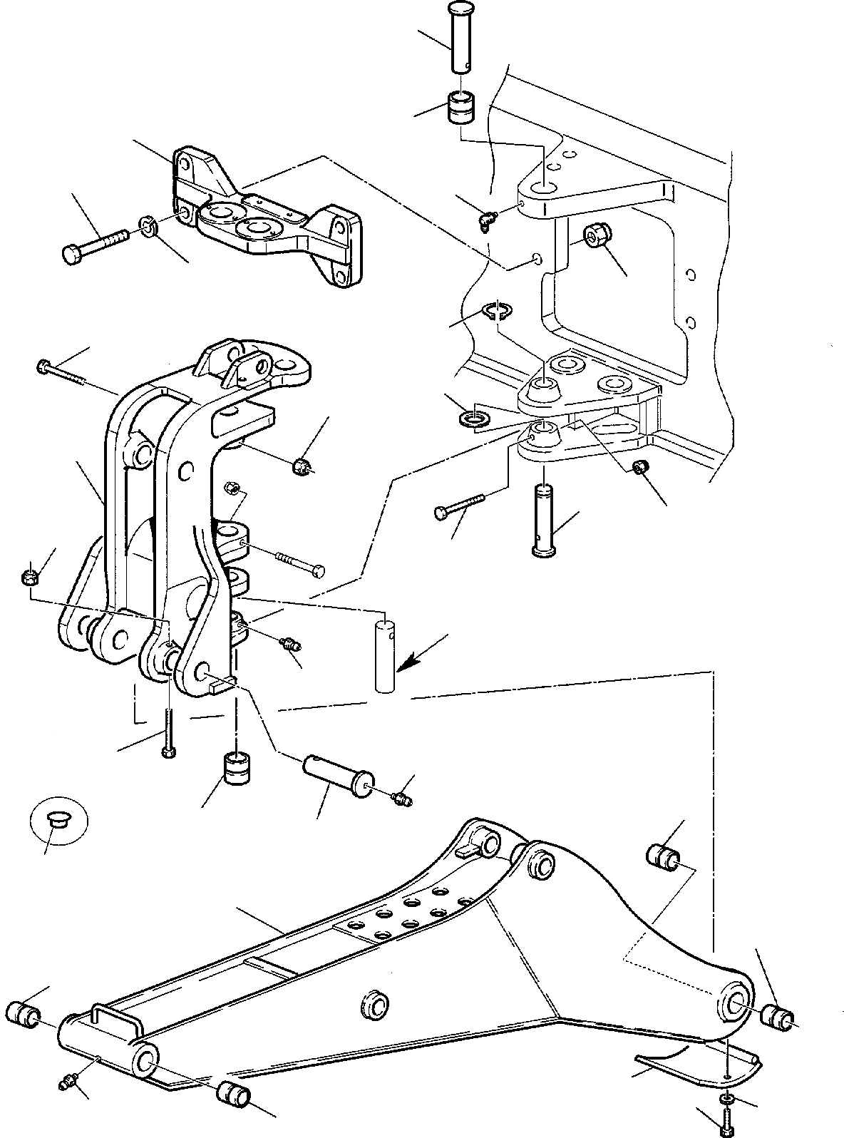
Запчасти Komatsu WB140PS-2 КРЕПЛЕНИЕ СТРЕЛЫ (/) РАБОЧЕЕ ОБОРУДОВАНИЕ

Схема запчастей Komatsu WB140PS-2 - КРЕПЛЕНИЕ СТРЕЛЫ (/) РАБОЧЕЕ ОБОРУДОВАНИЕ
24
20
25
12
14
15
23
16
17
22
13
21
8
18
12
19
4
11
4
2
9
10
26
1
2
3
5
6
4
7
3
A
FIT
1:1
100%

Артикул

Название

Примечание

Количество

1

312708052

BOOM

2

500210034

BUSHING

3

500212005

BUSHING

4

860010007

FITTING

5

312708053

PROTECTION

6

801015110

BOLT

7

802170002

WASHER

8

312704612

BRACKET, ASSY

9

312704604

BUSHING

10

312704608

PIN

11

801015584

BOLT

12

801880212

NUT

13

801015586

BOLT

14

312703624

SUPPORT

15

801015291

BOLT

16

802060024

WASHER

17

801920112

NUT

18

312704602

PIN

19

801015586

BOLT

20

801880212

NUT

21

390606064

SPACER

22

802270024

SNAP RING

23

860030004

FITTING

24

390597065

PIN

25

312704603

BUSHING

26

500610633

PLUG

Выбрано товаров: 26