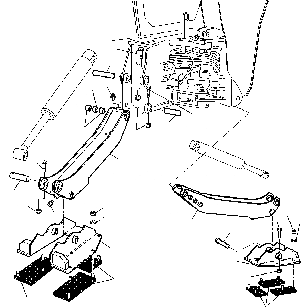
Запчасти Komatsu WB140PS-2 ГОРИЗОНТАЛЬН. ОПОРА (С РЕЗИН.) РАБОЧЕЕ ОБОРУДОВАНИЕ

Схема запчастей Komatsu WB140PS-2 - ГОРИЗОНТАЛЬН. ОПОРА (С РЕЗИН.) РАБОЧЕЕ ОБОРУДОВАНИЕ
12
12
16
14
4
2
16
15
3
17
1
6
5
7
13
13
4
18
9
18
1
8
11
11
10
12
FIT
1:1
100%

Артикул

Название

Примечание

Количество

1

312702059

BEARING BOOM

2

500250024

SPACER

3

500212014

BUSHING

4

860010007

FITTING

5

390597056

PIN

6

801015584

BOLT

7

801880212

SELF-LOCKING NUT

8

312302059

PIN

9

801015582

BOLT

10

801880212

SELF-LOCKING NUT

11

312702054

FOOT

12

312702608

RUBBERIZED FOOT

13

801880212

SELF-LOCKING NUT

14

390597057

PIN

15

390597058

PIN

16

801015584

BOLT

17

801880212

SELF-LOCKING NUT

18

802170003

WASHER

Выбрано товаров: 18