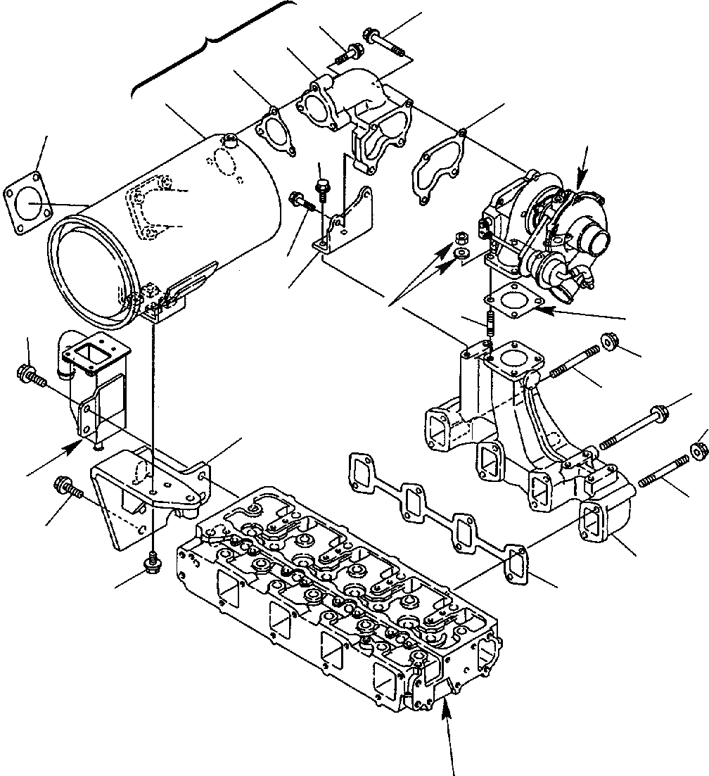
Запчасти Komatsu WB140PS-2 EXAUST КОЛЛЕКТОР & ГЛУШИТЕЛЬ ДВИГАТЕЛЬ

Схема запчастей Komatsu WB140PS-2 - EXAUST КОЛЛЕКТОР & ГЛУШИТЕЛЬ ДВИГАТЕЛЬ
19
A
15
A
11
B
12
B
14
B
13
2
16
10
5
18
4
7
21
20
6
1
20
8
1
9
3
17
FIT
1:1
100%

Артикул

Название

Примечание

Количество

\0

871070049

TURBO ENGINE

1

YM119593-11300

BOLT

2

YM123910-13100

MANIFOLD

3

YM123900-13110

GASKET

4

YM123910-13900

STAY

5

YM26106-080162

BOLT

6

YM26106-080952

BOLT

7

YM26213-080222

STUD

8

YM123910-13910

STAY

9

YM26106-100222

BOLT

10

YM129400-13201

GASKET

11

YM123910-13510

SILENCER

12

YM123910-13300

BEND

13

EXHAUST

14

YM129472-13520

GASKET

15

YM26106-080452

BOLT

16

YM123901-18080

GASKET

17

YM26106-080252

BOLT

18

YM26106-080402

BOLT

19

YM26106-080752

BOLT

20

YM26366-08002

NUT

21

YM26106-100252

BOLT

Выбрано товаров: 0