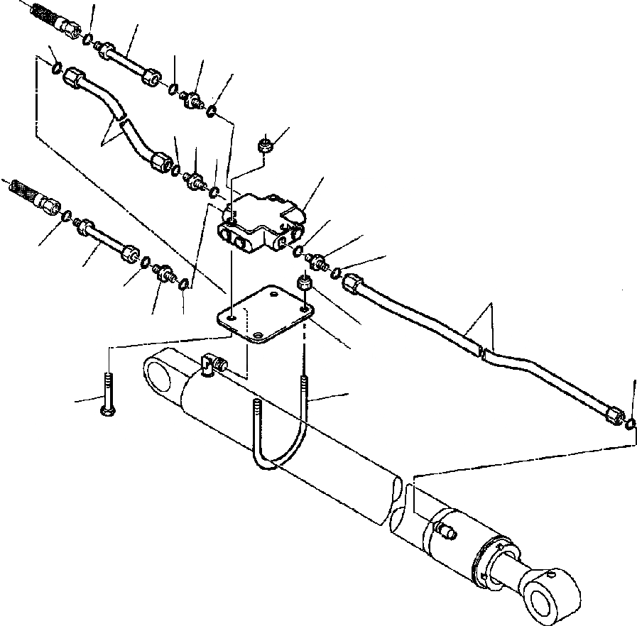
Запчасти Komatsu WB140PS-2N FIG. H-A ГИДРОЛИНИЯ - ЦИЛИНДР ПОДЪЕМА ПОГРУЗ. КОВША КЛАПАН БЕЗОПАСНОСТИ ГИДРАВЛИКА

Схема запчастей Komatsu WB140PS-2N - FIG. H-A ГИДРОЛИНИЯ - ЦИЛИНДР ПОДЪЕМА ПОГРУЗ. КОВША КЛАПАН БЕЗОПАСНОСТИ ГИДРАВЛИКА
14
13
12
4
2
3
9
4
2
3
11
1
3
2
4
14
13
10
4
2
3
7
5
13
6
8
FIT
1:1
100%

Артикул

Название

Примечание

Количество

1

845230001

VALVE

2

500380078

UNION

3

855670003

O-RING

4

855051016

O-RING

5

312637050

PLATE, VALVE SUPPORT

6

312637601

FASTENER (U-BOLT)

7

801880001

NUT, SELF-LOCKING

8

801015551

BOLT

9

801880408

NUT, SELF-LOCKING

10

312637057

PIPE, R.H. LIFTING

|$13

312637058

PIPE, L.H. LIFTING

11

312637059

PIPE, LIFTING

12

855051016

O-RING

13

312637060

PIPE

14

855051016

O-RING

Выбрано товаров: 15