Запчасти Komatsu WB140PS-2N FIG. H-A ГИДРОЛИНИЯ - ПОГРУЗ. ГИДРОЦИЛИНДР КОВША ВОЗВРАТ В РАБОЧ. ПОЛОЖ-Е ГИДРАВЛИКА

Схема запчастей Komatsu WB140PS-2N - FIG. H-A ГИДРОЛИНИЯ - ПОГРУЗ. ГИДРОЦИЛИНДР КОВША ВОЗВРАТ В РАБОЧ. ПОЛОЖ-Е ГИДРАВЛИКА
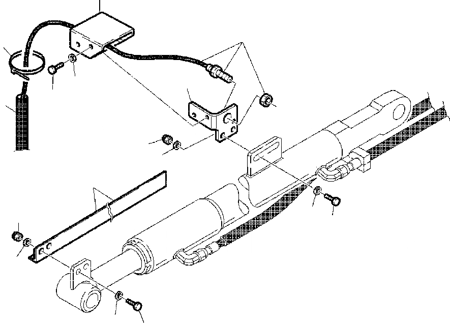
10
2
9
13
12
5
11
14
8
7
1
7
4
6
3
3
FIT
1:1
100%

Артикул

Название

Примечание

Количество

1

312670609

BAR, LEVEL

2

801015574

BOLT

3

802170003

WASHER

4

801880212

NUT, SELF-LOCKING

5

312670606

BRACKET, HARNESS SUPPORT

6

801015543

BOLT

7

802170001

WASHER

8

801880208

NUT, SELF-LOCKING

9

885270701

WIRING HARNESS ASSEMBLY

10

312670607

BRACKET, HARNESS PROTECTION

11

801015064

BOLT

12

802170000

WASHER

13

885180010

TIE STRAP

14

312670603

PROTECTION, HARNESS

Выбрано товаров: 14