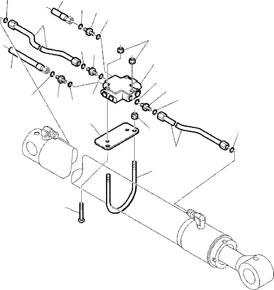
Запчасти Komatsu WB140PS-2N FIG. H7-A ГИДРОЛИНИЯ - ЦИЛИНДР РУКОЯТИ КЛАПАН БЕЗОПАСНОСТИ ГИДРАВЛИКА

Схема запчастей Komatsu WB140PS-2N - FIG. H7-A ГИДРОЛИНИЯ - ЦИЛИНДР РУКОЯТИ КЛАПАН БЕЗОПАСНОСТИ ГИДРАВЛИКА
12
16
4
2
3
11
9
4
1
16
14
13
3
4
15
2
3
5
12
7
10
6
8
2
FIT
1:1
100%

Артикул

Название

Примечание

Количество

1

845230002

VALVE, SAFETY

2

500380087

UNION

3

855670003

O-RING

4

855051018

O-RING

5

312731602

PLATE, VALVE SUPPORT

6

312731603

FASTENER, U-BOLT

7

801880001

NUT, SELF-LOCKING

8

801015551

BOLT

9

801880408

NUT, SELF-LOCKING

10

312731072

PIPE

11

312731065

PIPE

12

855051018

O-RING

13

312731071

UNION

14

855670003

O-RING

15

855051018

O-RING

16

392860017

HOSE

Выбрано товаров: 16