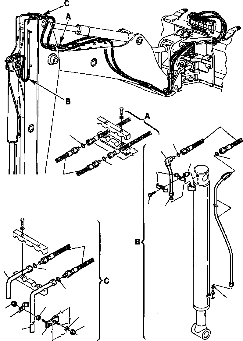
Запчасти Komatsu WB140PS-2N FIG. H77-A ГИДРОЛИНИЯ - (ЦИЛИНДР КОВША)(ФИКСИР. РУКОЯТЬ) ГИДРАВЛИКА

Схема запчастей Komatsu WB140PS-2N - FIG. H77-A ГИДРОЛИНИЯ - (ЦИЛИНДР КОВША)(ФИКСИР. РУКОЯТЬ) ГИДРАВЛИКА
4
11
2
3
2
5
11
6
10
1
7
2
10
8
11
11
2
15
17
14
16
13
9
12
FIT
1:1
100%

Артикул

Название

Примечание

Количество

1

312739073

PIPE

2

855051016

O-RING

3

312739072

PIPE

4

392860009

HOSE

5

312739620

SPACER

6

312739623

BUCKLE

7

801015560

BOLT

8

312739074

PIPE,R.H.

9

312739075

PIPE,L.H.

10

392862001

HOSE

11

855051016

O-RING

12

312739069

PLATE

13

801880208

SELF-LOCKING NUT

14

802170001

WASHER

15

312739624

SPACER

16

312739622

BUCKLE

17

801880001

SELF-LOCKING NUT

Выбрано товаров: 17